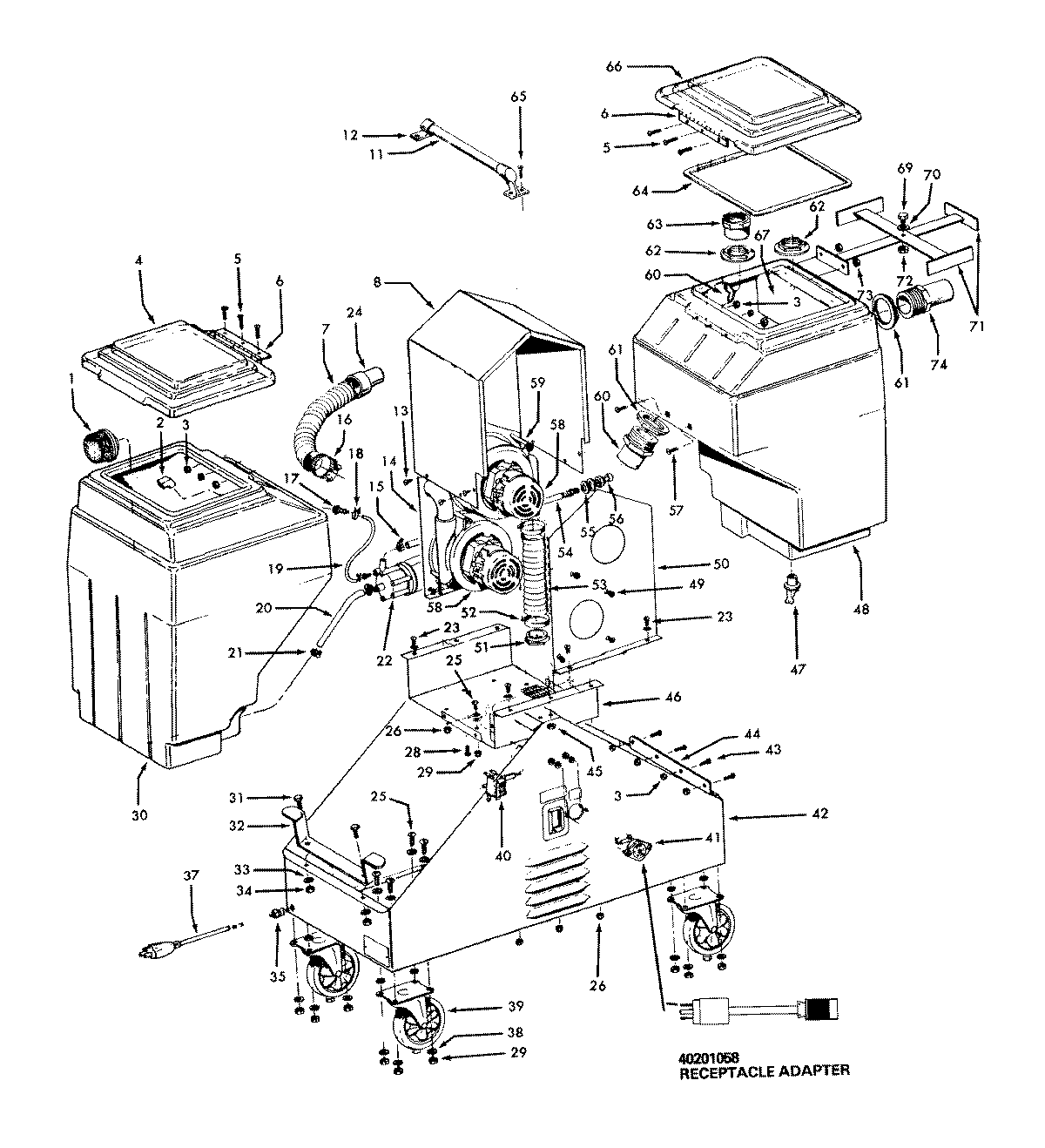
C3005001 01 – MAINBODYadmin2025-04-26T09:05:22+00:00C3005001 01 – MAINBODY ProductsPositionProduct1MAY 436110142MAY 1328433-4MAY 422720766MAY 411330017MAY 434310208MAY 4298703511MAY 3175300212MAY 1204122-13MAY 1105512-14MAY 4298704116MAY 1114083-17MAY 1309141-18MAY 1114477-19MAY 1511145-20MAY 3863101221MAY 2541104922MAY 4358500323MAY 2178115424MAY 3328300225MAY 1105567-26MAY 1107602-28MAY 1105503-30MAY 4227202032MAY 4315200135MAY 2748213437MAY 4658315739MAY 2373710640MAY 1524106-41MAY 2776400142MAY 4227500444MAY 4113200345MAY 1107612-46MAY 4142703347MAY 1557125-48MAY 4227205149MAY 1512102-50MAY 3455503851MAY 1512200-52MAY 1114203-53MAY 1538121-54MAY 4344300555MAY 2131279456MAY 1308006-57MAY 1305527-58MAY 4317703859MAY 1216015-60MAY 4346101761MAY 1207616-62MAY 1307617-63MAY 4361101864MAY 3878500765MAY 1105522-66MAY 4227207567MAY 3455700169MAY 1105501-70MAY 1107605-71MAY 4142300572MAY 2185410373MAY 1307631-74MAY 1509049-