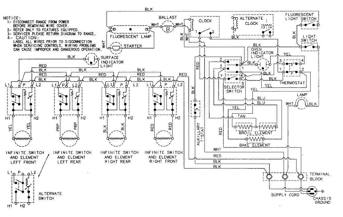
C3510PVV 06 – WIRING INFORMATIONadmin2025-04-26T09:05:17+00:00C3510PVV 06 – WIRING INFORMATION ProductsPositionProductNIMAY 15001814