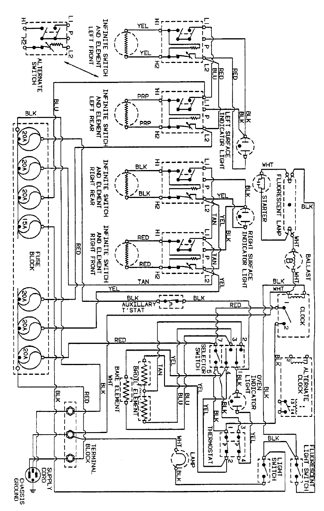
C3521WRV 07 – WIRING INFORMATIONadmin2025-04-26T09:03:44+00:00C3521WRV 07 – WIRING INFORMATION ProductsPositionProductNIMAY 15001724