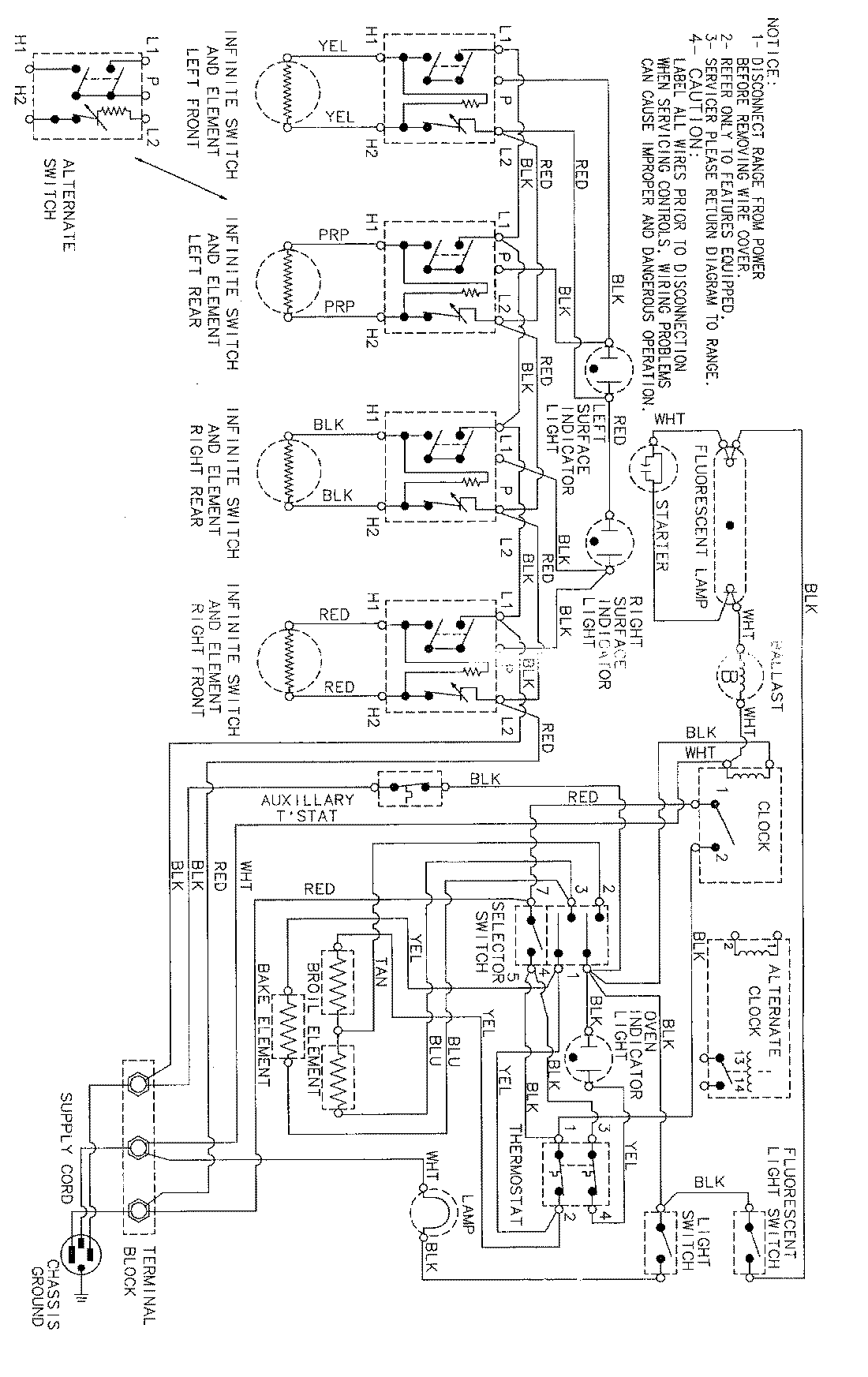
C3523WVA 04 – WIRING INFORMATIONadmin2025-04-26T09:05:55+00:00C3523WVA 04 – WIRING INFORMATION ProductsPositionProductNIMAY 15001801