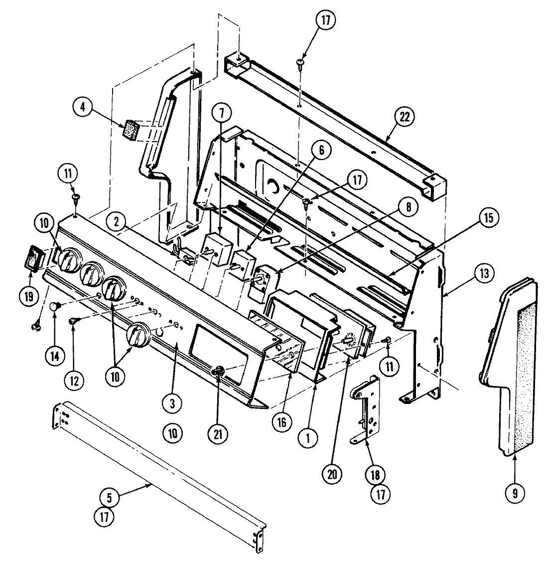
C3542XRA 02 – CONTROL PANELadmin2025-04-26T09:03:21+00:00C3542XRA 02 – CONTROL PANEL ProductsPositionProductNIMAY 8113P021-60NIMAY 160003291WPY706189 Whirlpool Stove Screw1MAY 3801F317-452MAY 7407P081-602W10852510 Whirlpool Indicator Light3MAY 7703P443-604MAY 8010P085-605MAY 3802F088-516MAY 7403P254-607WP7403P238-60 Whirlpool Infinite Switch (Small Element)7WP7403P239-60 Whirlpool Oven Switch8MAY 7404P081-609MAY 7726P050-609MAY 7726P046-609MAY 7103P129-6010MAY 7737P028-6011MAY 7118P019-6012SCREW13MAY 4001F091-5114SCREW (8BX3/8-NI)14W11690159 Whirlpool Handle15MAY 3604F201-8016MAY 7201P056-6016MAY 7902P109-6017MAY 7118P015-6018MAY 3418A088-3418MAY 3418A087-34197403P067-60 Whirlpool Light Switch20MAY 7601P170-6021MAY 7711P007-6022MAY 4001F064-5122MAY 5125A337-6022MAY 5170D144-6022MAY 5175D059-60