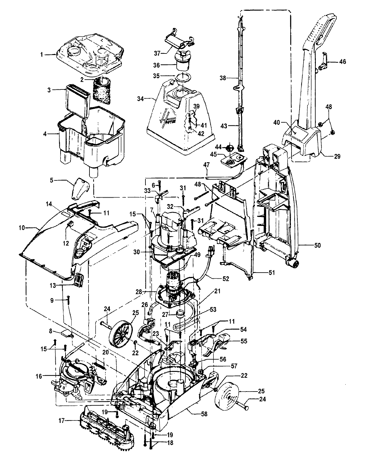
C3820— 01 – MOTOR ASSEMBLY, MAINASSEMBLYadmin2025-04-26T09:05:18+00:00C3820— 01 – MOTOR ASSEMBLY, MAINASSEMBLY ProductsPositionProductNIMAY 56711149NIMAY 38784070NIMAY 43538001NIMAY 51865024NIMAY 51638055NIMAY 38719027NIMAY 58364017NIMAY 51639192NIMAY 58332024NIMAY 58461019NIMAY 58315006NIMAY 58313006NIMAY 403010641MAY 422721112MAY 436110413MAY 386610034MAY 387770815MAY 393831066MAY 214472468MAY 3791108310MAY 3727105711MAY 2144702012MAY 3842109313MAY 4361300914MAY 5166908015MAY 2144721716MAY 4319100117MAY 4843702218MAY 2147943819MAY 2144707220MAY 3833300921MAY 4981103922MAY 160017--23MAY 3613108524MAY 3243400725MAY 3852207626MAY 3845804227MAY 3878406328MAY 4357620228MAY 4131101629MAY 4866317730MAY 4030902731MAY 2144723232MAY 3615102933MAY 3615101934MAY 4227213435MAY 3878406236MAY 4227200237MAY 3945701638MAY 3845803139MAY 3831201440NOT REQUIRED PART OR SEE NOTE FUSE (NOT REQUIRED)41MAY 3878406142MAY 3871700943MAY 3845803344MAY 3878406045MAY 4351600746MAY 3944204147MAY 4030900248MAY 4020114549MAY 3411300450MAY 3946603351MAY 3727600152MAY 4658304853MAY 3878104854MAY 3613108655MAY 3843402556MAY 2821804857MAY 3617201658MAY 42274005