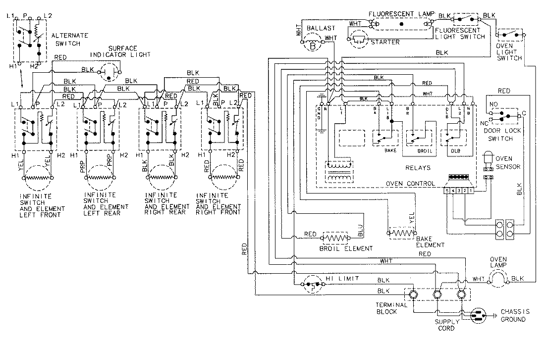
C3862XYB 06 – WIRING INFORMATIONadmin2025-04-26T09:04:47+00:00C3862XYB 06 – WIRING INFORMATION ProductsPositionProductNIMAY 15001800