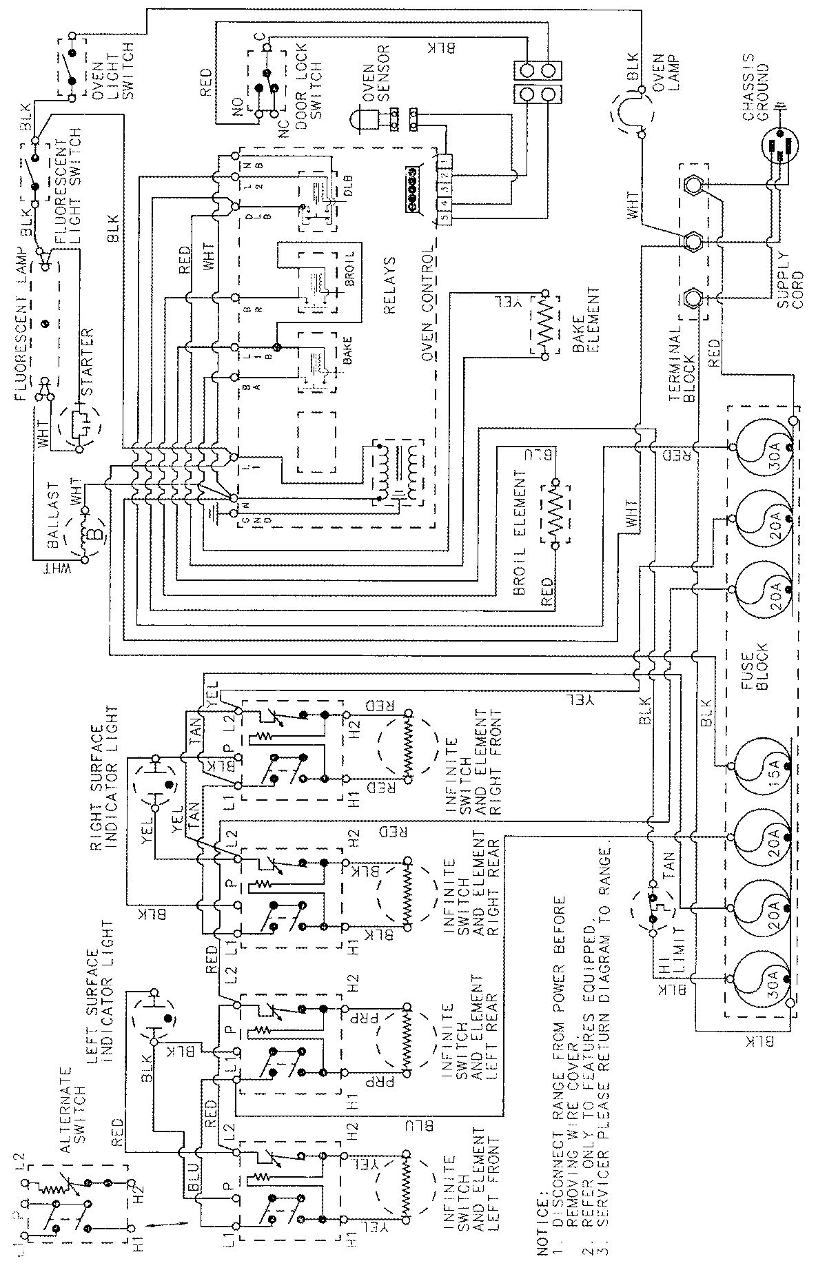
C3882VVV 06 – WIRING INFORMATIONadmin2025-04-26T09:06:23+00:00C3882VVV 06 – WIRING INFORMATION ProductsPositionProductNIMAY 15001549