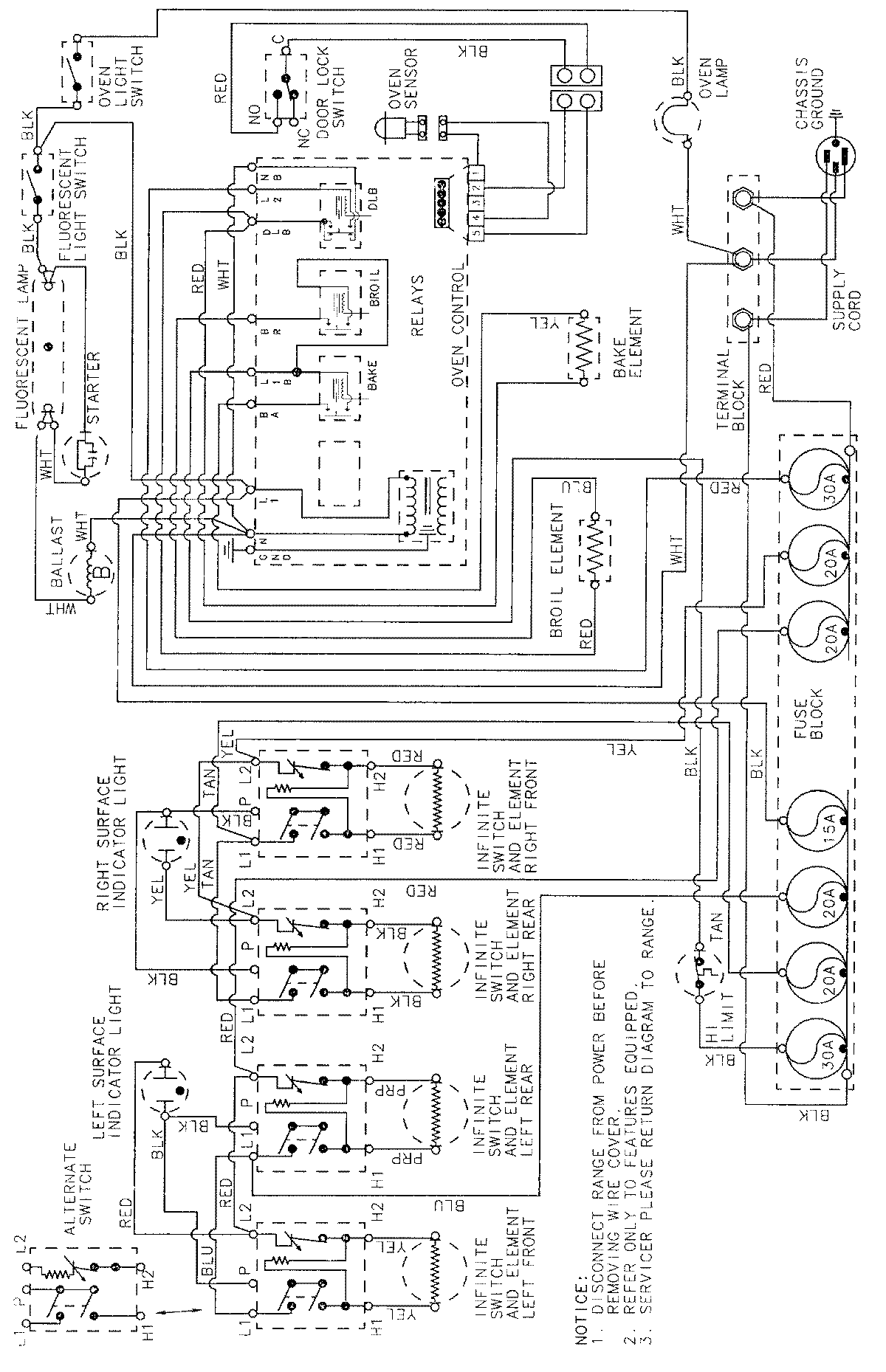
C3882XVA 06 – WIRING INFORMATIONadmin2025-04-26T09:06:38+00:00C3882XVA 06 – WIRING INFORMATION ProductsPositionProductNIMAY 15001549