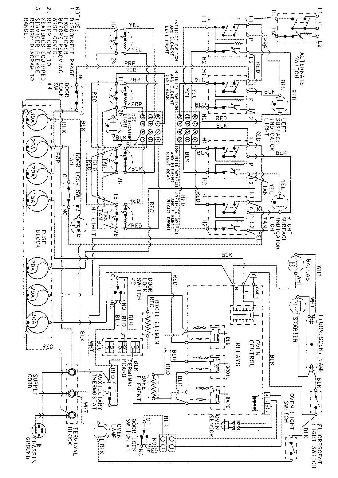
C3888VRV 06 – WIRING INFORMATIONadmin2025-04-26T09:04:06+00:00C3888VRV 06 – WIRING INFORMATION ProductsPositionProductNIMAY 15002283