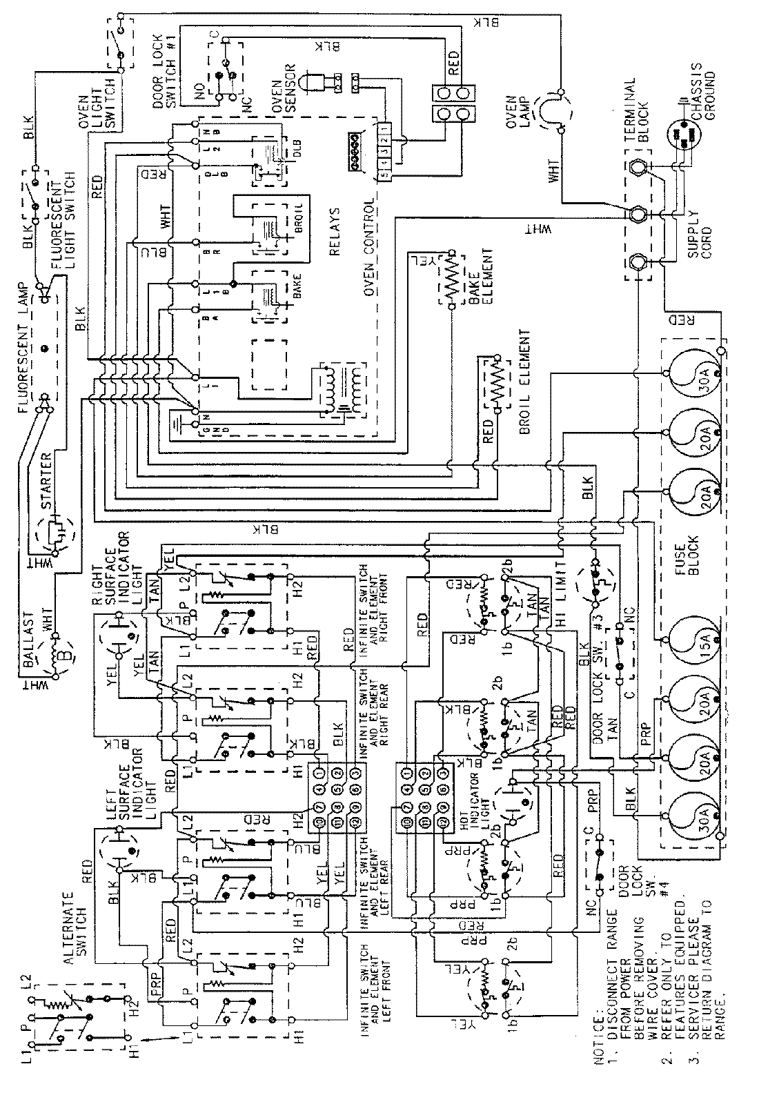
C3888VVV 06 – WIRING INFORMATIONadmin2025-04-26T09:05:27+00:00C3888VVV 06 – WIRING INFORMATION ProductsPositionProductNIMAY 15001731