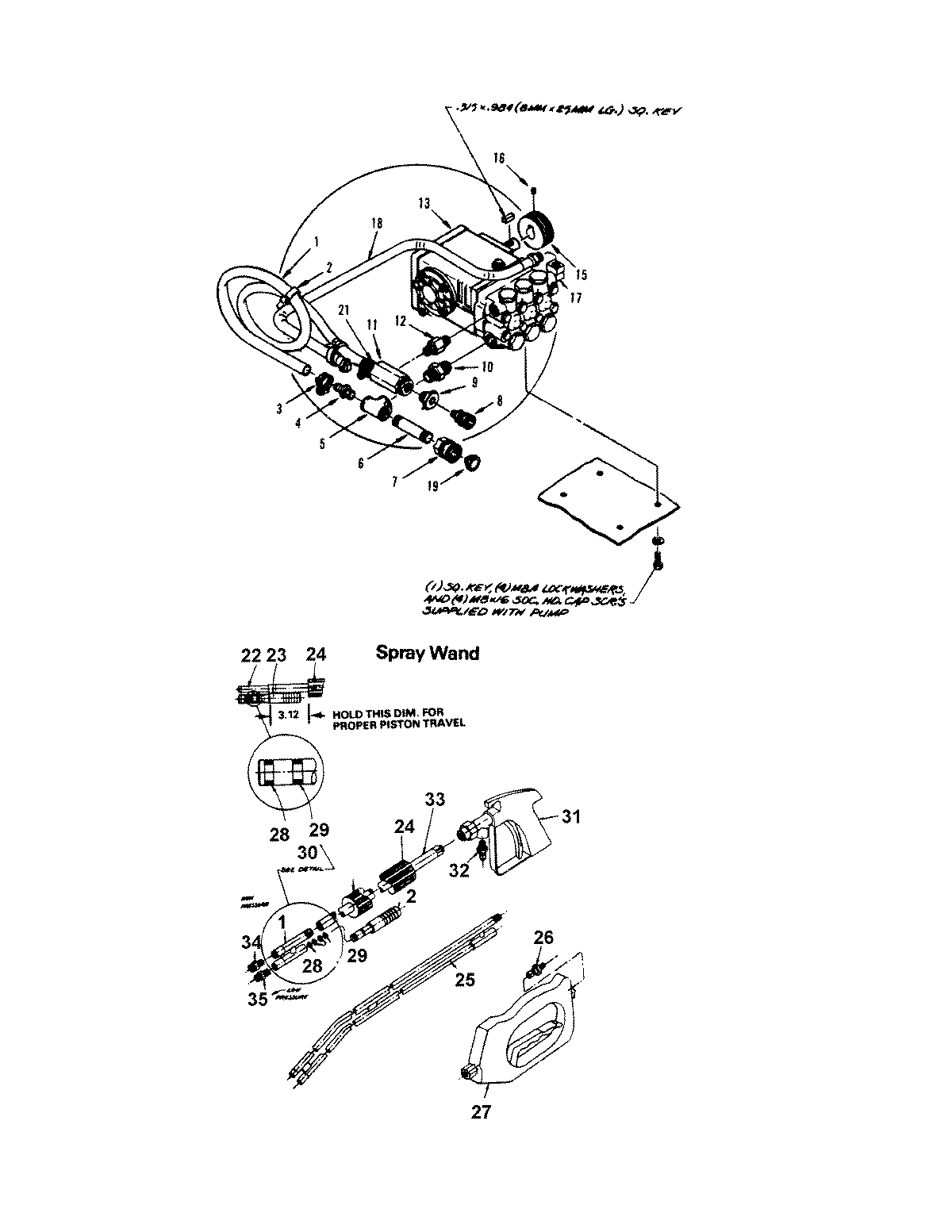
| 1 | MAY 59133088 |
| 2 | MAY 59133089 |
| 3 | MAY 59133090 |
| 4 | MAY 59133091 |
| 5 | MAY 59133092 |
| 6 | MAY 59133093 |
| 7 | MAY 59133094 |
| 8 | MAY 59133095 |
| 9 | MAY 59133096 |
| 10 | MAY 59133097 |
| 11 | MAY 40300053 |
| 12 | MAY 59133101 |
| 12 | MAY 59133100 |
| 13 | MAY 59133102 |
| 13 | MAY 59133103 |
| 13 | MAY 59133111 |
| 15 | MAY 59133105 |
| 15 | MAY 59133104 |
| 16 | NOT REQUIRED PART OR SEE NOTE FUSE (NOT REQUIRED) |
| 17 | MAY 59133106 |
| 18 | MAY 59133107 |
| 19 | MAY 59133108 |
| 21 | MAY 59133110 |
| 22 | MAY 59133014 |
| 22 | MAY 59133017 |
| 22 | MAY 59133165 |
| 23 | MAY 59133166 |
| 24 | MAY 59133167 |
| 25 | MAY 59133168 |
| 26 | MAY 59133169 |
| 27 | MAY 59133170 |
| 28 | MAY 59133171 |
| 29 | MAY 59133172 |
| 30 | MAY 59133173 |
| 31 | MAY 59133174 |
| 32 | MAY 59133175 |
| 33 | MAY 59133176 |
| 34 | MAY 59133015 |
| 34 | MAY 59133016 |
| 34 | MAY 59133018 |
| 35 | MAY 59133177 |