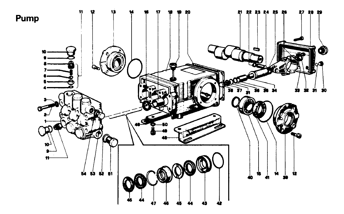
C4279— 03 – PUMPadmin2025-04-26T09:05:47+00:00C4279— 03 – PUMP ProductsPositionProduct1MAY 5913315519MAY 5913315620MAY 5913315729MAY 5913314635MAY 5913315854MAY 5913315954NOT REQUIRED PART OR SEE NOTE FUSE (NOT REQUIRED)54MAY 5913311154MAY 5913315054MAY 5913314954MAY 5913314854MAY 59133160