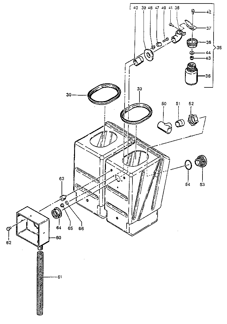
C5122 08 – TANKFLOATASSEM