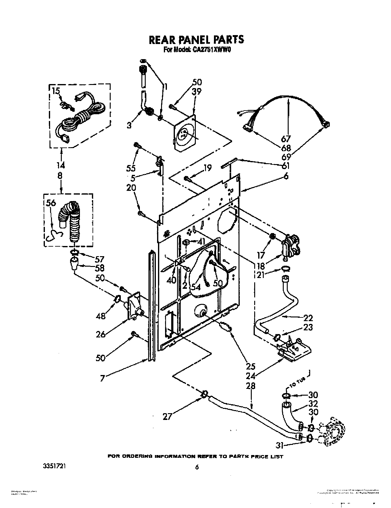
CA2751XWW0 05 – REAR PANEL