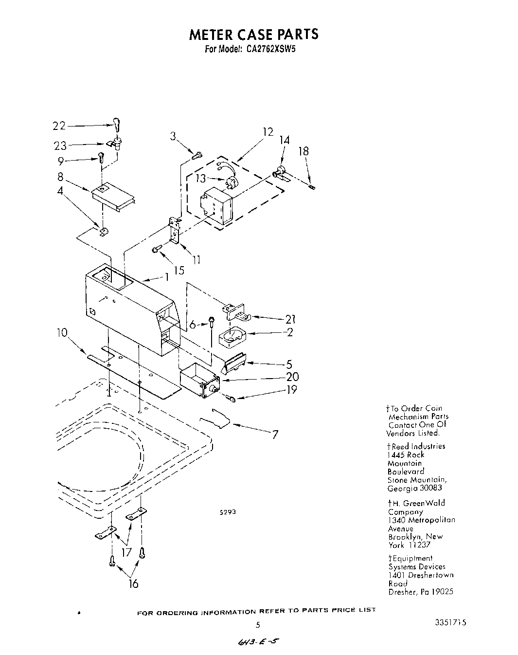
CA2762XSW5 04 – METER CASEadmin2025-04-26T10:54:48+00:00CA2762XSW5 04 – METER CASE
Products
| Position | Product |
|---|
| 1 | Meter Case (Almond) |
| 1 | Meter Case (Golden Harvest) |
| 1 | Meter Case (White) |
| 2 | WP385421 Whirlpool Coin Operated Laundry Funnel |
| 3 | 339805 Whirlpool Screw |
| 4 | WP90406 Whirlpool Nut |
| 5 | Spacer, Money Vault (For Almond Model) |
| 5 | Spacer, Money Vault (Golden Harvest) |
| 5 | Spacer (Money Vault) (White) |
| 7 | Guide, Drawer |
| 8 | W11283272 Whirlpool Washer Dryer Meter Case Access Door |
| 8 | Door, Service (For Almond Model) |
| 8 | Door, Service (New Gold) |
| 9 | Screw & Washer |
| 10 | WP3954812 Whirlpool Cushion |
| 11 | Bracket, Timer |
| 12 | WP3955668 Whirlpool Timer |
| 13 | Motor, Timer |
| 14 | Clutch, Timer |
| 15 | WP356418 Whirlpool Screw |
| 16 | W11715721 Whirlpool Screw Assembly |
| 17 | 3347825 Whirlpool Plate |
| 18 | Setscrew, 10-32 |
| 19 | Key, Money Box |
| 20 | Money Box With Lock |
| 21 | Coin Chute |
| 22 | Key, Service Door |
| 23 | Security Lock & Cam Assembly |
| 23 | To Order Coin Mechanism Parts Contact One Of Vendors Listed. |
| 23 | Reed Industries 1445 Rock Mountain Boulevard Stone Mountain, Georgia 30083 |
| 23 | H. GreenWald Company 1340 Metropolitan Avenue Brooklyn, New York 11237 |
| 23 | Equiptment Systems Devices 1401 Dreshertown Road Dresher, Pa 19025 |