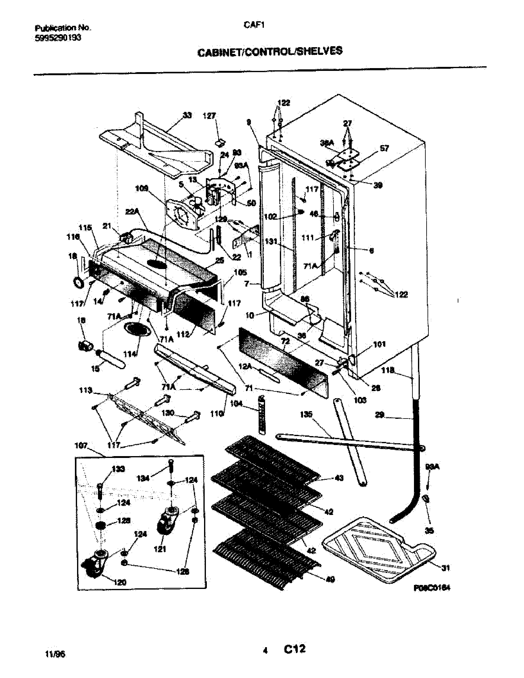
CAF12 05 – CABINET/CONTROL/SHELVES

CAF12 05 – CABINET/CONTROL/SHELVES

Products

PositionProduct
WCI 06594680
5303321319 Frigidaire Refrigerator White Touch Up Paint
1297222500 Frigidaire Refrigerator Lock-Catch
55308000010 Frigidaire Refrigerator Evaporator Fan Blade
6WCI 216107500
7WCI 216107600
9WCI 216085900
10WCI 216085800
12AWCI 216477000
135304442620 Frigidaire Refrigerator Evaporator Fan Motor
14297243800 Frigidaire Refrigerator Switch
15WCI 216360900
16SOCKET, LIGHT/LAMP
18216591506 Frigidaire Refrigerator Temperature Control Knob
21297216041 Frigidaire Refrigerator Control
22WCI 05878562
22ATUBE
24SCREW, CLAMP, TRUSS HD CR, CONTROL
25WCI 216375601
27241710601 Frigidaire Refrigerator Screw
28WCI 216335600
29WCI 216361900
31WCI 5308016387
33WCI 216376900
35240396801 Frigidaire Refrigerator Tube Clamp
36WCI 06594651
38AWCI 216365200
39WCI 5303294372
42WCI 216384000
43WCI 216386200
48WCI 08000456
49WCI 216331800
50WCI 08013207
57WCI 216335500
71AWCI 216409500
71WCI 216395800
72WCI 216330500
86216036601 Frigidaire Refrigerator Screw
93WCI 5303302760
93A216858001 Frigidaire Refrigerator Screw
101WCI 216335700
102297121900 Frigidaire Shelf Support
103WCI 216336300
104WCI 216360600
105WCI 216361100
107WCI 216496100
109WCI 216375700
110216377000 Frigidaire Refrigerator Drain Trough
111WCI 216377100
112WCI 216381300
113WCI 216383600
114WCI 216382600
115WCI 216383700
116WCI 216383800
117WCI 216361600
118WCI 09948773
120WCI 216495300
121WCI 216495200
122215774901 Frigidaire Refrigerator Button Plug
124WCI 216495400
126WCI 216495700
127WCI 5303311565
128WCI 216393600
130WCI 06599544
130WCI 216393300
131WCI 216305300
133WCI 216495500
134WCI 216495600
135WCI 216496000