CAP2772BW0 04 – REAR PANELadmin2025-04-26T10:57:35+00:00CAP2772BW0 04 – REAR PANEL
Products
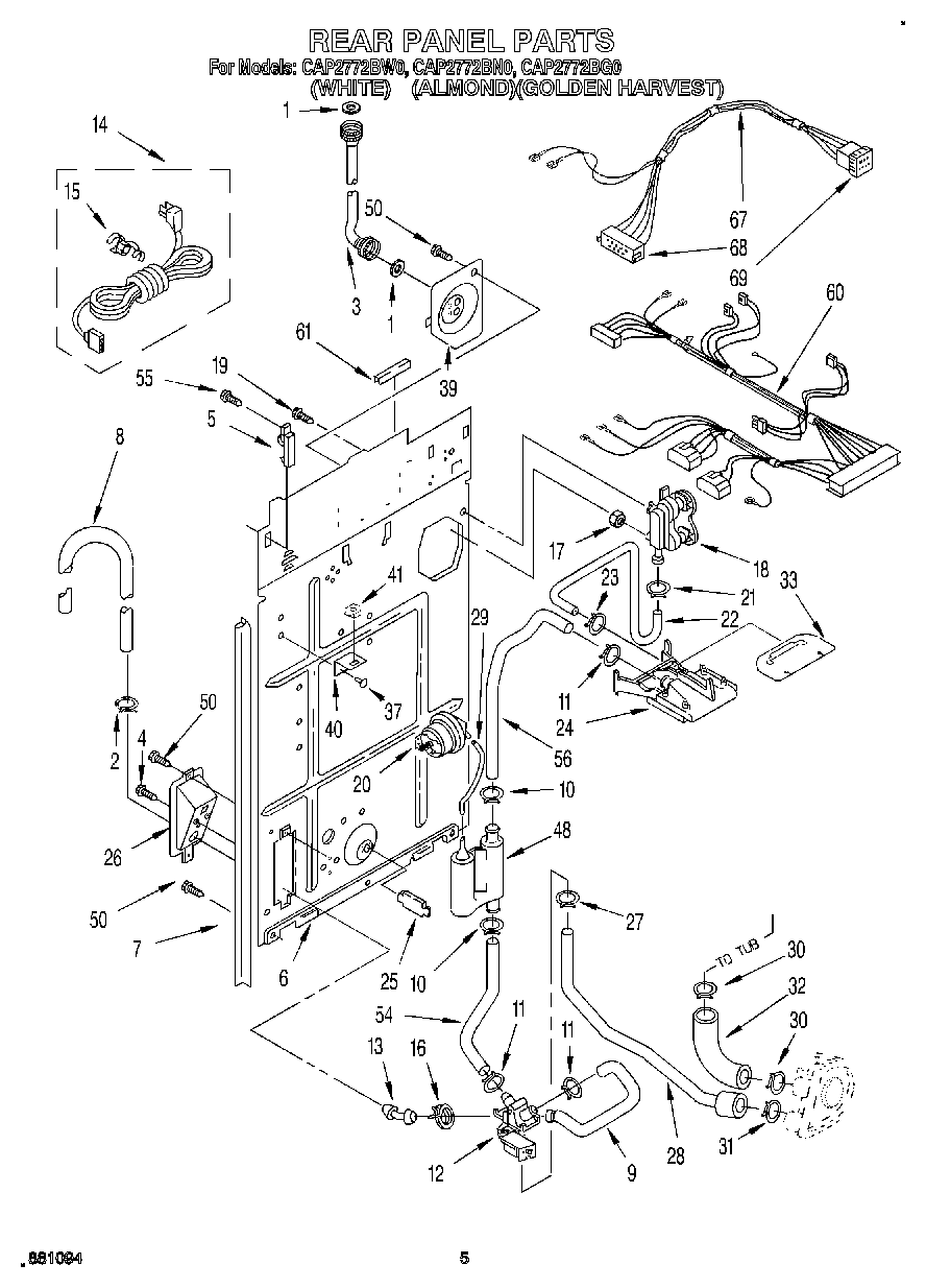
| Position | Product |
|---|
| 1 | WP16123 Whirlpool Washer |
| 2 | WP3357331 Whirlpool Clamp |
| 3 | WP89503 Whirlpool Washer Fill Hose |
| 4 | Screw (2) |
| 5 | Hinge, Console (2) |
| 6 | Panel, Rear |
| 7 | WP62747 Whirlpool Pad |
| 8 | WP96743 Whirlpool Hose |
| 9 | Hose-Two Way Valve/ To Drain |
| 11 | 3363365 Whirlpool Clamp |
| 12 | Valve, Two-Way |
| 13 | Connector, Hose |
| 14 | 285928 Whirlpool Power Cord Assembly |
| 15 | Strain Relief, Power Cord |
| 16 | WP285655 Whirlpool Hose Clamp |
| 17 | WP96160 Whirlpool Washer Inlet Valve Screen |
| 18 | 285805 Whirlpool Washer Water Inlet Valve |
| 20 | Switch, Pressure (Recirculate) |
| 22 | HOSE |
| 23 | WP596669 Whirlpool Hose Clamp |
| 24 | Break, Vacuum |
| 25 | WP8519200 Whirlpool Support Assembly |
| 26 | Bracket, Valve |
| 27 | WP356138 Whirlpool Hose Clamp |
| 28 | Hose, Pump To Two-Way Valve |
| 29 | WP353244 Whirlpool Hose |
| 30 | WP371502 Whirlpool Clamp |
| 32 | 285871 Whirlpool Hose and Clamp |
| 33 | Sheild, Vaccum Break |
| 37 | Rivet (2) |
| 39 | 285930 Whirlpool Plate |
| 40 | Bracket, Top Lock |
| 41 | WP90406 Whirlpool Nut |
| 48 | Air-Dome |
| 50 | WP3390631 Whirlpool Screw |
| 54 | Hose/Two-way Valve To Air Dome |
| 55 | WP308685 Whirlpool Microwave Screw |
| 56 | Hose, Air-Dome To Vacuum Break |
| 60 | Harness, Wiring (For Detail See Wiring Harness Parts Page.) Also See Clips. |
| 61 | Edge Protector |
| 67 | Harness, Timer (Includes Illus. 68 & 69) |
| 68 | W10876590 Whirlpool Connector |
| 69 | Cap, Terminal (15 Way) |