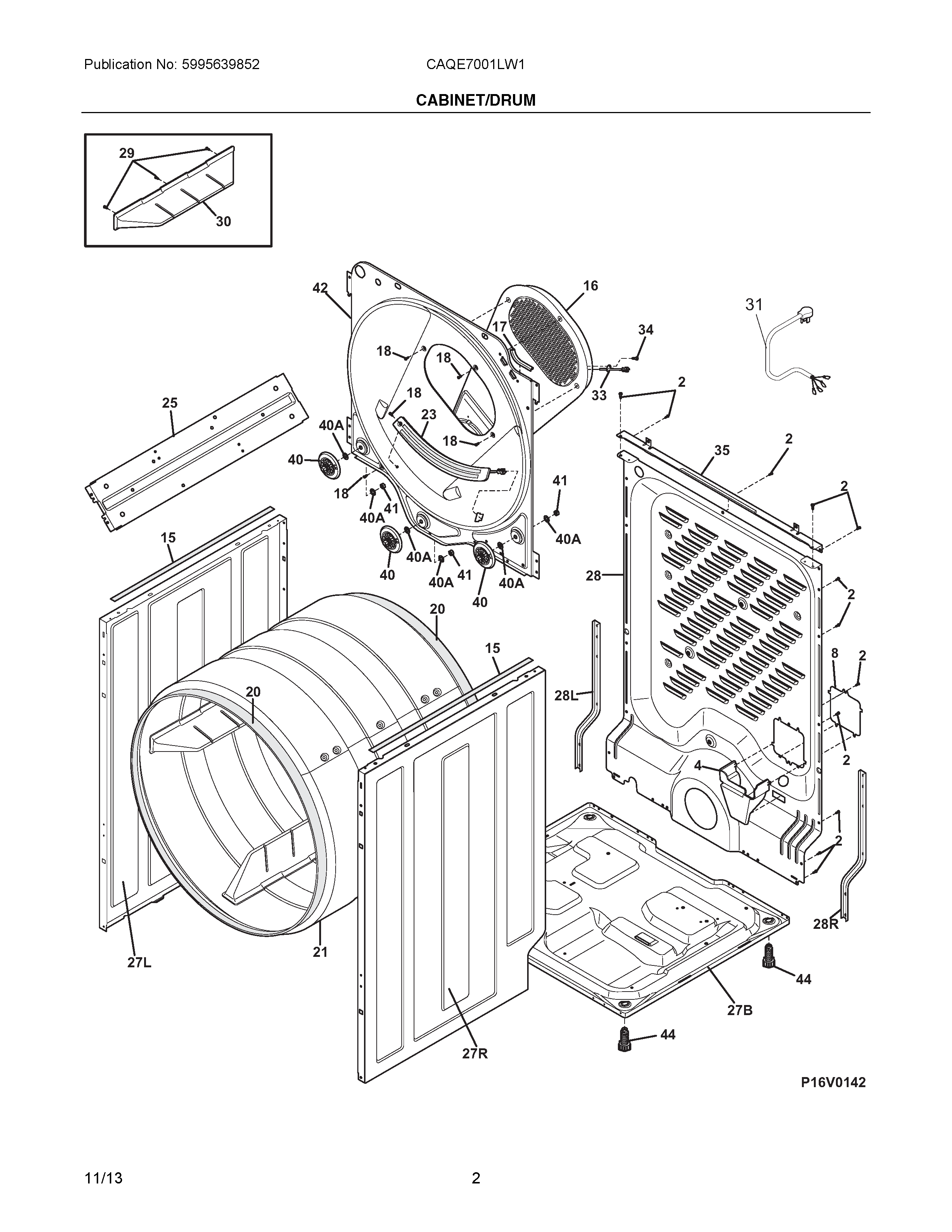
CAQE7001LW1 02 – CABINET/DRUM