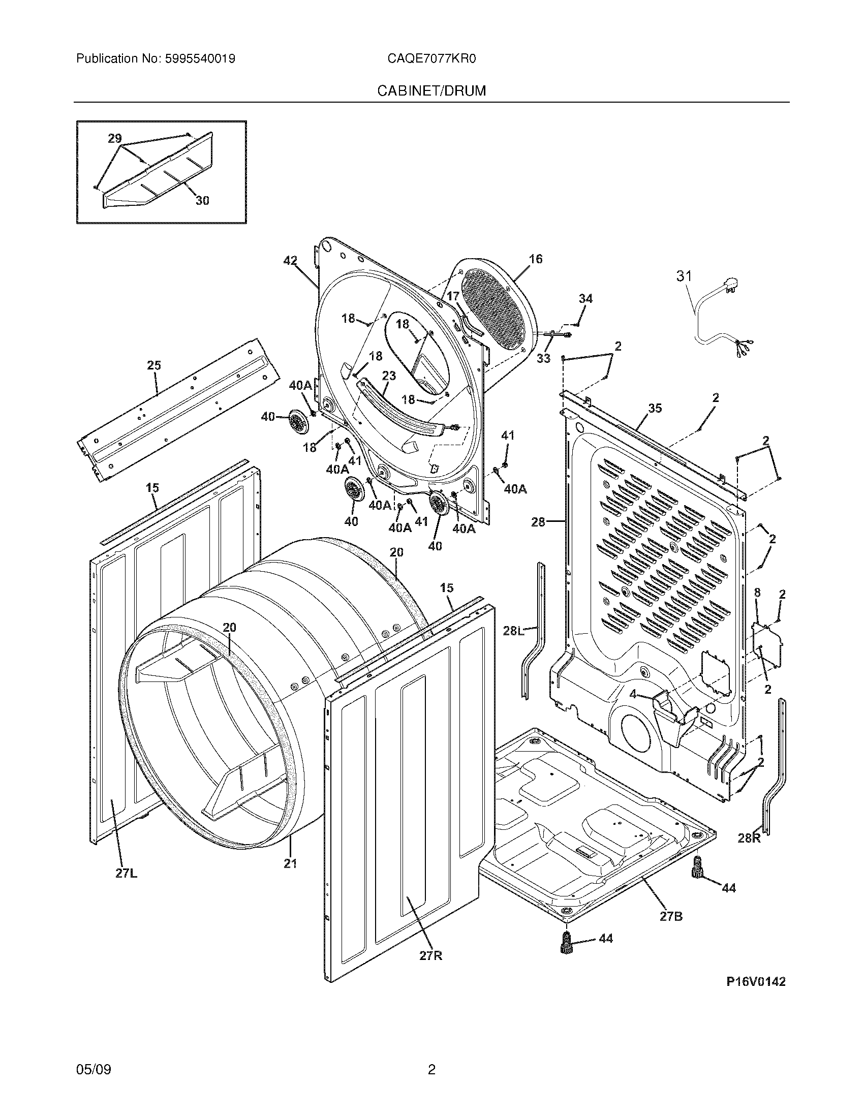
CAQE7077KR0 03 – CABINET/DRUMadmin2025-04-26T08:49:05+00:00CAQE7077KR0 03 – CABINET/DRUM ProductsPositionProductNI134930800 Frigidaire HarnessNI5308027429 Frigidaire Dryer High Temperature AdhesiveNIStrain relief,240 ,pwr cordNI134716200 Frigidaire Retainer4WCI 1347922008134694400 Frigidaire Cover15137031800 Frigidaire Cushion165304508449 Frigidaire Washer Dryer Air Duct17134792900 Frigidaire Protector18131168200 Frigidaire Dryer Screw20WCI 13470590021WCI 13471191023134786100 Frigidaire Moisture Sensor25WCI 13491210027LWCI 13469034027RWCI 13469044027B134690203 Frigidaire Base28LWCI 13702990028WCI 13471320028RWCI 13706680029131205100 Frigidaire Screw30WCI 137116810315304505408 Frigidaire Cord33SAFETY THERMSTAT34131243700 Frigidaire Screw35WCI 134706200405304523155 Frigidaire Washer Kit40A134716700 Frigidaire Washer41134716800 Frigidaire Nut42WCI 13471281044WCI 137029700