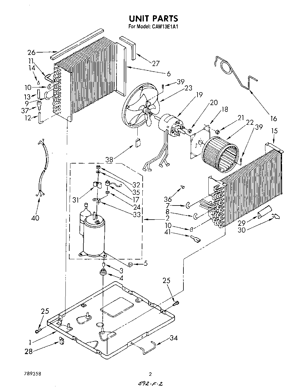
CAW13E1A1 02 – UNIT