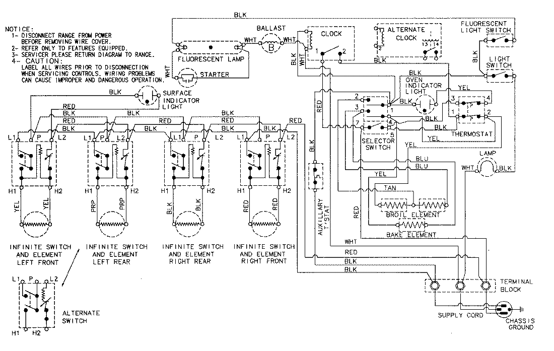
CC3510PVV 06 – WIRING INFORMATIONadmin2025-04-26T11:13:58+00:00CC3510PVV 06 – WIRING INFORMATION ProductsPositionProductNIMAY 15001814