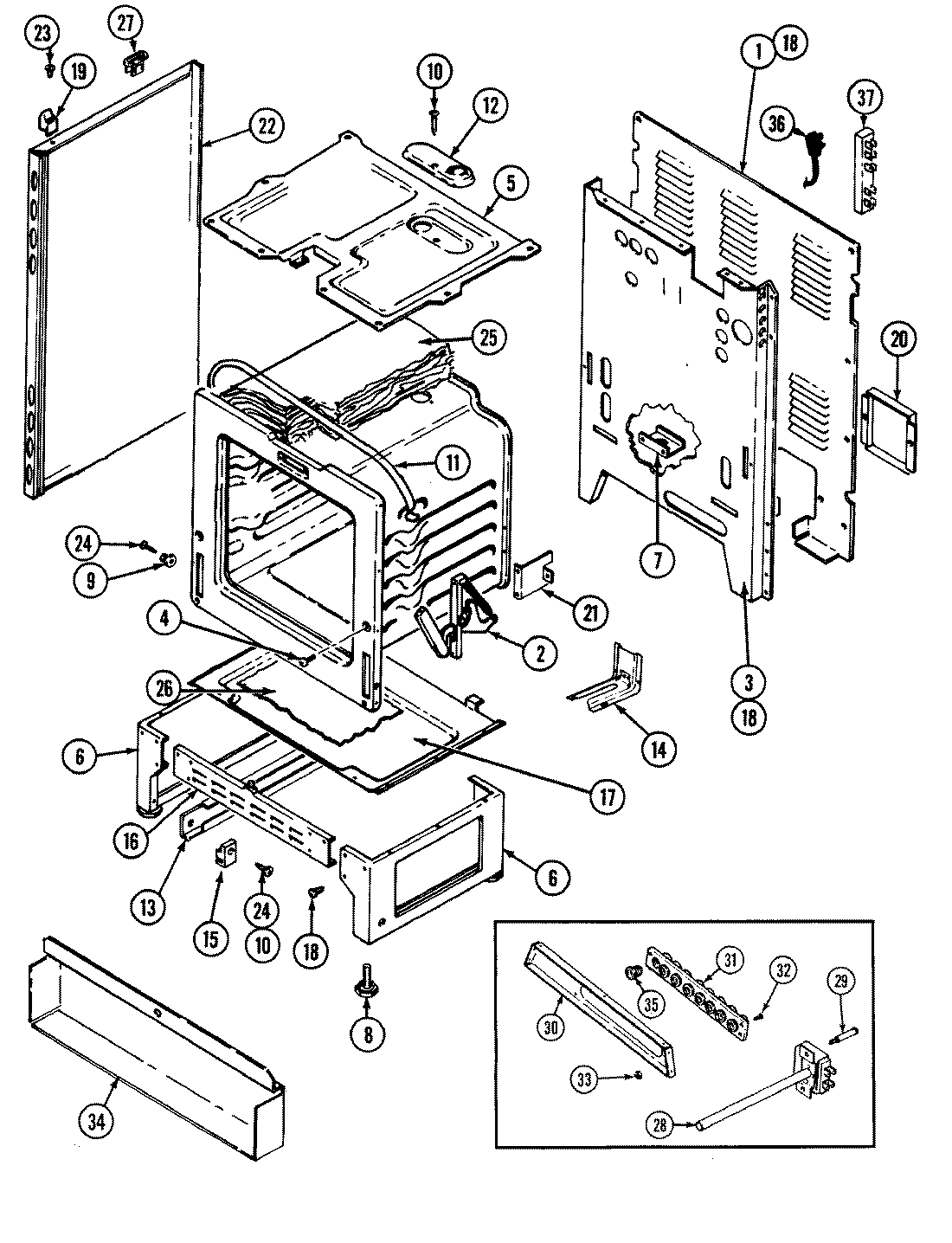
CC3520SRW 01 – BODYadmin2025-04-26T11:12:34+00:00CC3520SRW 01 – BODY ProductsPositionProduct1MAY 4005F381-512MAY 7106P048-603MAY 4002F189-804SCREW, HINGE5MAY 4011F208-196MAY 4020W007-807MAY 3605F174-518MAY 7101P306-609MAY 8004P024-6010SCREW11MAY 4820F001-5912COVER, VENT13MAY 3406F028-5114MAY 7101P289-6014MAY 3801F218-5115MAY 8004P033-6016MAY 4020F001-8017MAY 3804F112-5118MAY 7101P290-6019SPACER, MAIN TOP (RT)19SPACER, MAIN TOP (LT)20MAY 4005F427-5121SUPPORT,OVEN REAR22MAY 2618F099-7123MAY 7101P313-6024MAY 7101P334-6025MAY 4804F032-6025MAY 4804F031-6026MAY 8312P058-6027MAY 8007P023-6028MAY 7404P057-6029MAY 7101P337-6030MAY 3801F309-8031MAY 7401A032-6032MAY 7101P068-6033MAY 7103P064-6034MAY 4005F417-5135MAY 7416P005-6035MAY 7416P006-6036MAY 7402P036-6037MAY 7401P038-6037MAY 5175D068-60