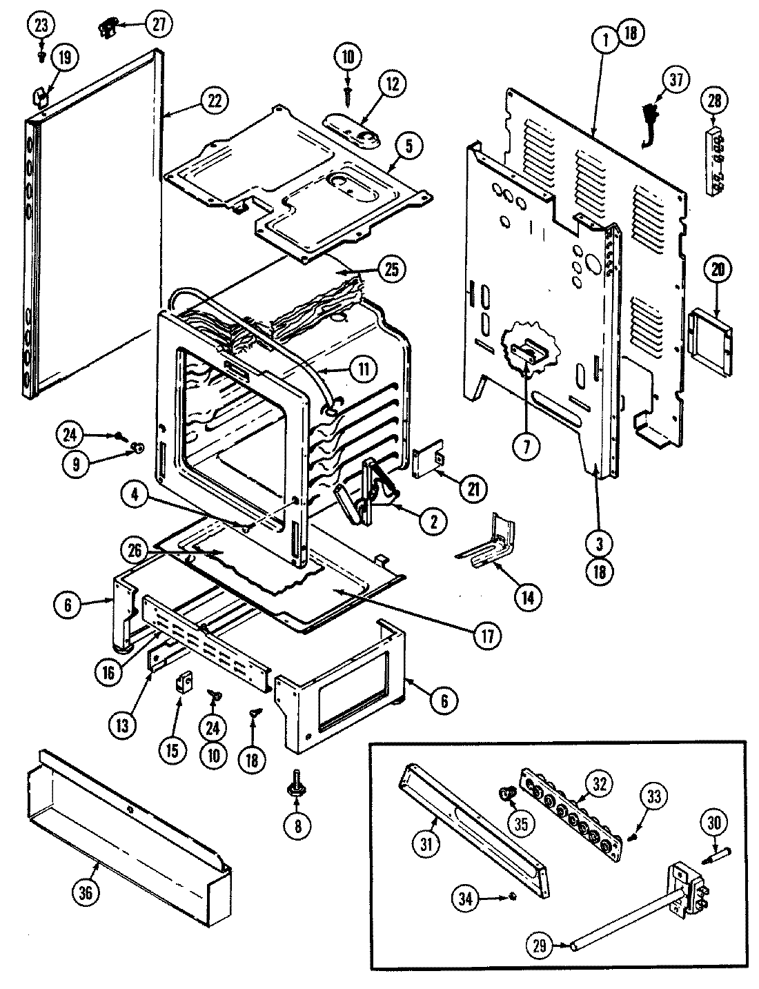
CC3531WRA 01 – BODYadmin2025-04-26T11:13:54+00:00CC3531WRA 01 – BODY ProductsPositionProduct1MAY 4005F381-513MAY 4002F184-804SCREW, HINGE5MAY 4011F208-196MAY 4020W007-807MAY 3605F174-518MAY 7101P306-609MAY 8004P024-6010SCREW11MAY 4820F001-5912COVER, VENT13MAY 3406F028-5114MAY 7101P289-6014MAY 3801F218-5115MAY 8004P025-6016MAY 4020F001-8017MAY 3804F109-5118MAY 7101P290-6019SPACER, MAIN TOP (RT)19SPACER, MAIN TOP (LT)20MAY 4005F427-5121SUPPORT,OVEN REAR23MAY 7118P013-6024MAY 7101P300-6025MAY 4804F031-6025MAY 4804F032-6026MAY 8312P058-6027MAY 8007P023-6028WPW10245259 Whirlpool Terminal Block28SCREW (10ABX1.0-ZN)29MAY 7404P057-6030MAY 7118P020-6031MAY 3801F309-8032MAY 7401P031-6033MAY 7101P068-6034MAY 7103P064-6035MAY 7416P005-6035MAY 7416P006-6036MAY 4005F417-5136MAY 7101P263-6037MAY 7402P036-60