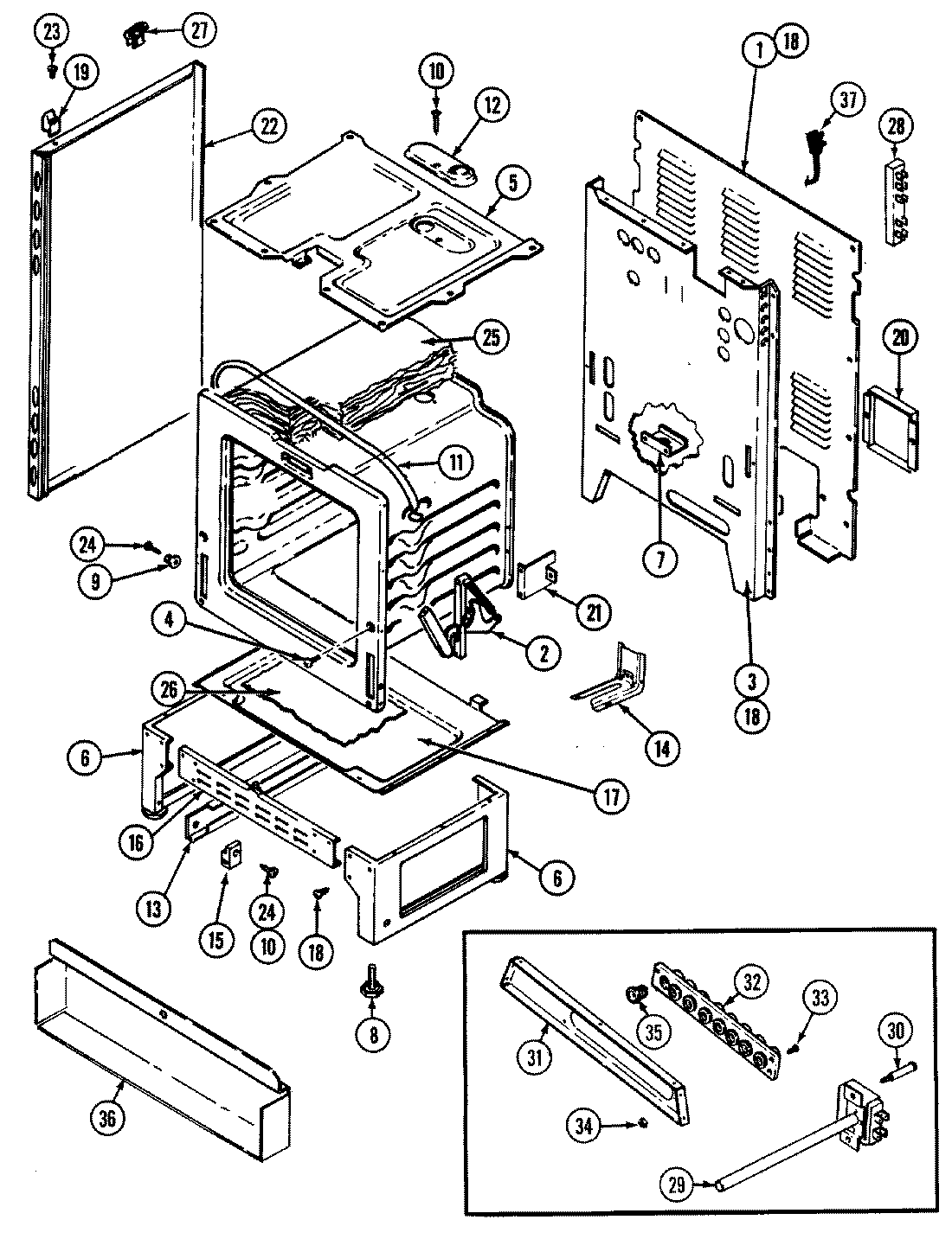
CC3531XRA 01 – BODY