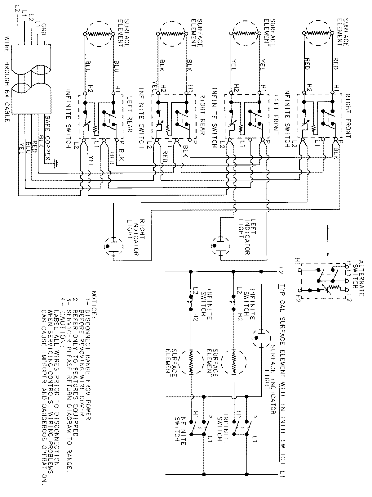
CC8610PV 02 – WIRING INFORMATIONadmin2025-04-26T11:14:52+00:00CC8610PV 02 – WIRING INFORMATION ProductsPositionProductNIMAY 15001477