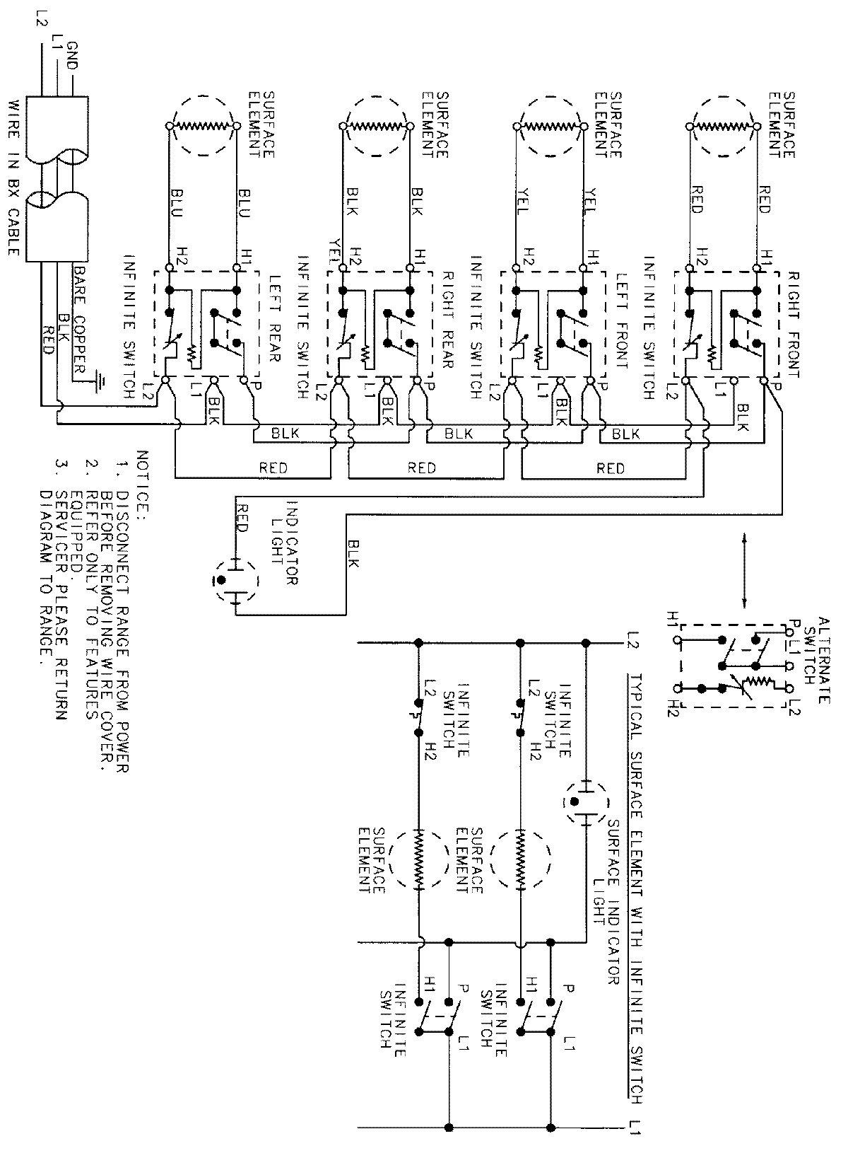
CCE1401B 02 – WIRING INFORMATIONadmin2025-04-26T11:14:23+00:00CCE1401B 02 – WIRING INFORMATION ProductsPositionProductNIMAY 15001541