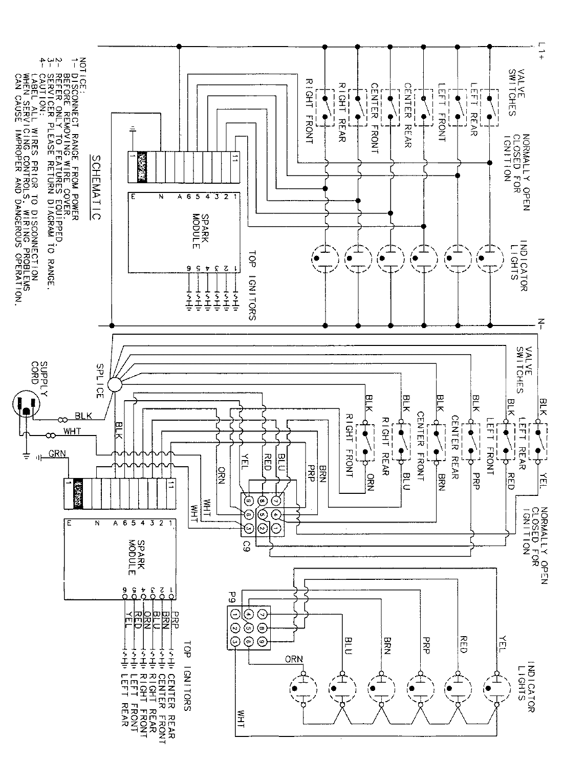
CCGX2620B 03 – WIRING INFORMATIONadmin2025-04-26T11:12:21+00:00CCGX2620B 03 – WIRING INFORMATION ProductsPositionProductNIMAY 15002199