CCH12AEK 03 – CCH12AEK, CCH12ASKadmin2025-04-26T12:16:09+00:00CCH12AEK 03 – CCH12AEK, CCH12ASK
Products
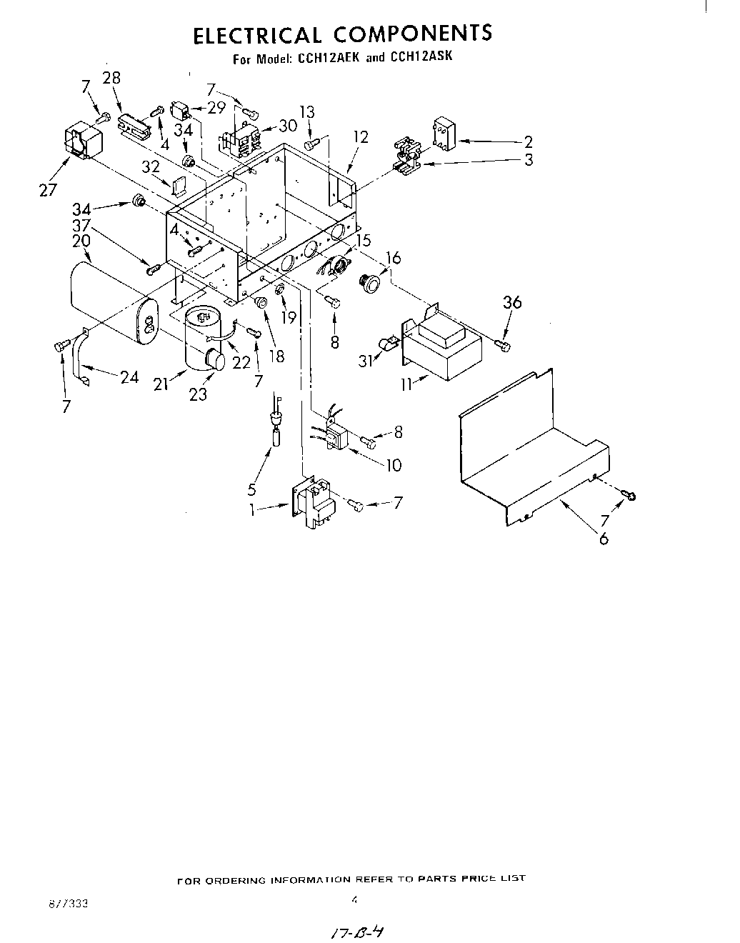
| Position | Product |
|---|
| 1 | Contactor |
| 2 | Relay, Holding |
| 3 | Base, Relay |
| 4 | Screw, 8-32 x 5/8 |
| 5 | Protector, Thermal |
| 6 | Cover, Electrical Box |
| 7 | WP90767 Whirlpool Screw |
| 8 | Screw, 10-32 x 1/2 (7) |
| 10 | Transformer, Control (14V) |
| 11 | Transformer, Grid (20V) |
| 12 | Box, Electrical (Not Serviceable) |
| 13 | Screw, 10-32 x 1/2 (4) |
| 15 | Receptacle, Fustat (3) |
| 16 | Fustat, 8 AMP (3) |
| 18 | Bushing, Snap (4) |
| 19 | Nut, Switch (2) |
| 20 | Capacitor, Run |
| 21 | Capacitor, Start |
| 22 | Clamp, Capacitor Start |
| 23 | Cover, Capacitor |
| 24 | Clamp, Capacitor Run |
| 27 | Relay, Compressor Start |
| 28 | Board, Terminal |
| 29 | Switch, Service |
| 30 | Relay, Slab Completion |
| 31 | Clamp, Wire |
| 32 | Clip |
| 34 | Bushing, Snap |
| 36 | WP999367 Whirlpool Refrigerator Screw |
| 37 | WP488787 Whirlpool Refrigerator Screw |