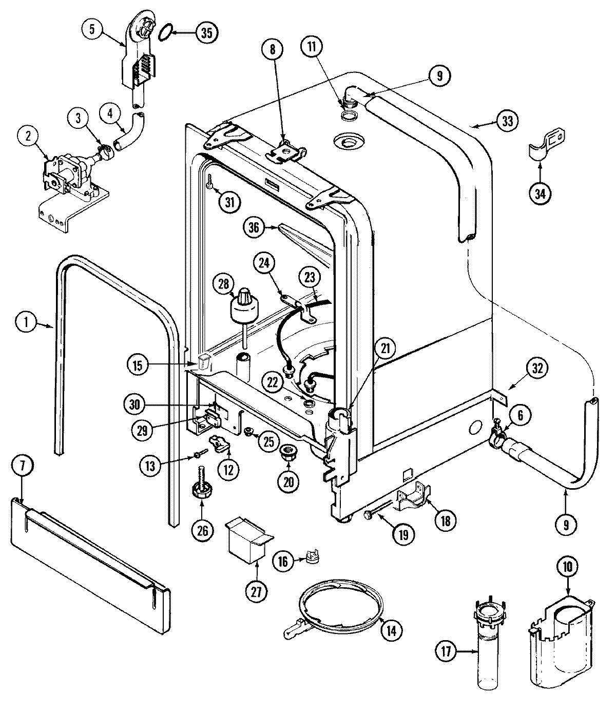
CDB6100AWE 06 – TUB