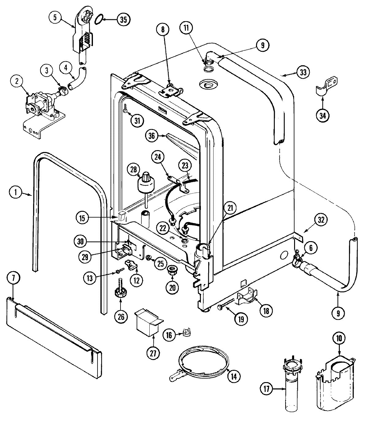
CDB6100AWN 06 – TUB