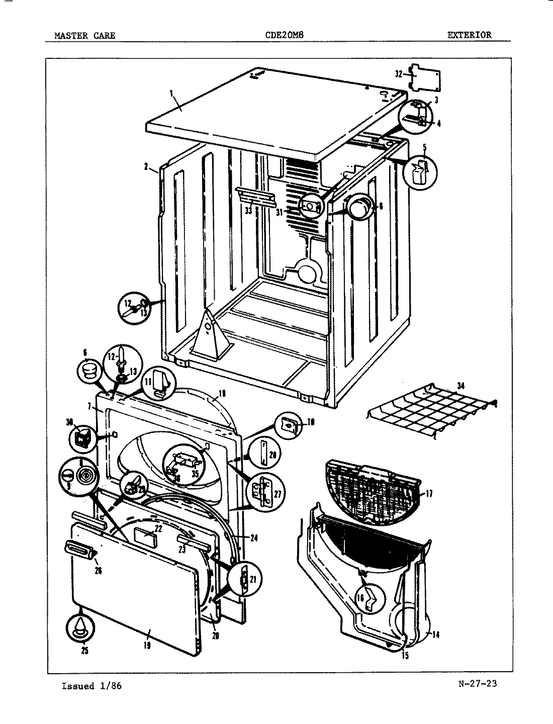
CDE20M8 06 – EXTERIOR (REV. E-F)admin2025-04-26T11:13:10+00:00CDE20M8 06 – EXTERIOR (REV. E-F) ProductsPositionProduct1MAY 53-01242MAY 53-06673MAY 63-57124WP90767 Whirlpool Screw4MAY 33-09305MAY 25-30346MAY 33-26537MAY 53-012610MAY 25-781710WP489478 Whirlpool Refrigerator Screw11WP25-7220 Whirlpool Cabinet Clip12MAY 63-614813MAY 25-022413MAY 53-020014MAY 53-091715MAY 53-020416MAY 53-012317WP53-0701 Whirlpool Lint Screw17WP53-0918 Whirlpool Lint Filter18MAY 53-028219MAY 53-015420MAY 53-010420MAY 53-074021MAY 53-011922MAY 53-025123MAY 53-025224WP31001529 Whirlpool Door Seal24MAY 25-777025MAY 25-353426MAY 25-781026MAY 53-011627MAY 53-012228W10756178 Whirlpool Screw28LA-1003 Whirlpool Dryer Door Catch and Metal Strike28MAY 53-012129MAY 73-003330MAY 53-088231WP489483 Whirlpool Screw31MAY 53-013532MAY 53-013632NOT REQUIRED PART OR SEE NOTE FUSE (NOT REQUIRED)33MAY 53-013333MAY 25-345734MAY LA-100535MAY 53-014836MAY 63-5990