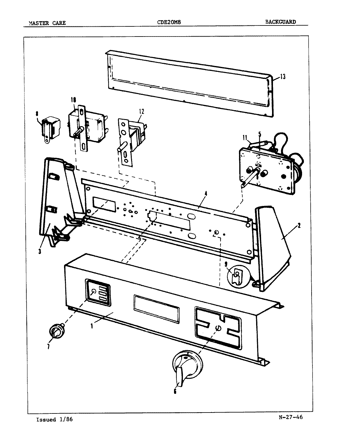
CDE20M8A 01 – CONTROL PANEL (ORIG. REV. A-D)admin2025-04-26T11:13:40+00:00CDE20M8A 01 – CONTROL PANEL (ORIG. REV. A-D) ProductsPositionProduct1MAY 53-08341MAY 25-76492MAY 53-02643MAY 53-02653MAY 53-02783MAY 53-02773MAY 25-77604MAY 53-03655MAY 25-02055MAY 63-56855MAY 53-06596MAY 53-07297MAY 35-01678MAY 63-67319MAY 25-770210MAY 53-039211MAY 63-674312MAY 53-034613MAY 53-026813MAY 34-948713MAY 25-785213MAY 25-769713MAY 25-743513WP90767 Whirlpool Screw13MAY 25-345713MAY 25-7851