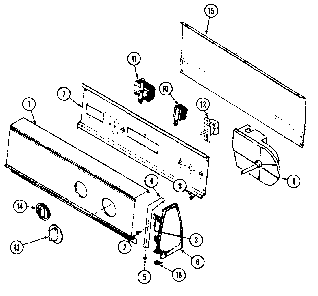
CDE20P8H 01 – CONTROL PANEL (REV. E-F)admin2025-04-26T11:12:30+00:00CDE20P8H 01 – CONTROL PANEL (REV. E-F) ProductsPositionProductNIMAY 53-1450-1NIMAY 63-5577-11MAY 53-12862MAY 25-77932MAY 25-76493MAY 25-77024MAY 53-02774MAY 53-02785MAY 25-77606MAY 35-24886MAY 35-24877MAY 53-16767MAY 53-25048MAY 63-67438MAY 53-18169MAY 25-743510MAY 63-673111MAY 53-126612MAY 53-034613MAY 53-065314MAY 35-014515MAY 25-345715MAY 35-268815WP90767 Whirlpool Screw16MAY 25-221916MAY 25-7851