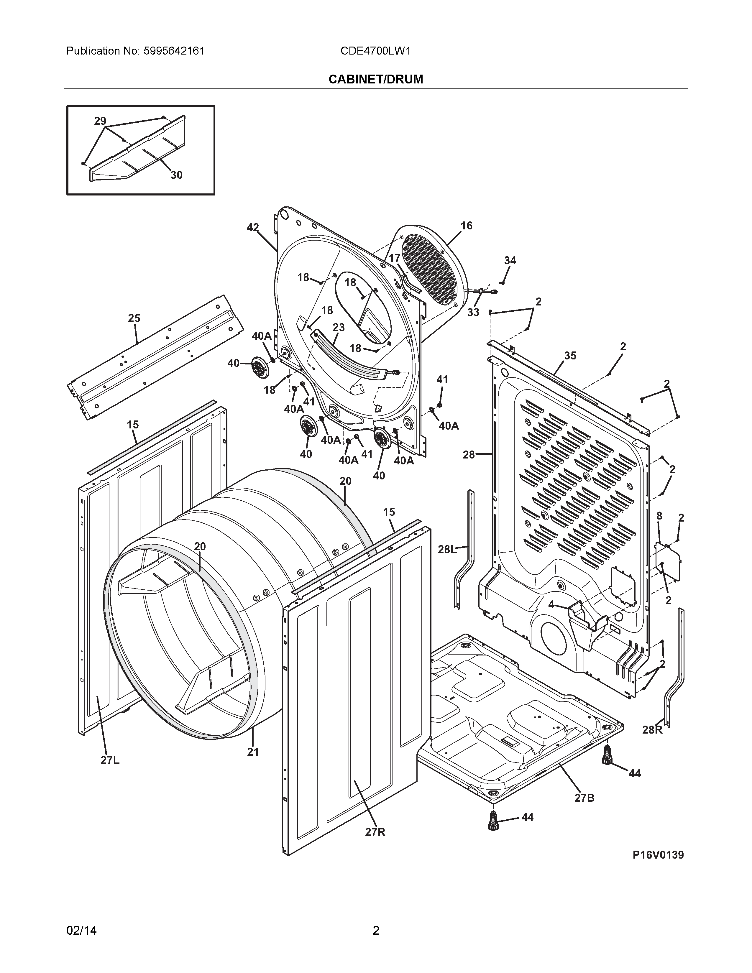
CDE4700LW1 02 – CABINET/DRUMadmin2025-04-26T08:46:19+00:00CDE4700LW1 02 – CABINET/DRUM ProductsPositionProductNIA134930800 Frigidaire HarnessNIAWCI 137360810NIA134716200 Frigidaire RetainerNIWCI 137240400NIA5308027429 Frigidaire Dryer High Temperature Adhesive4WCI 1347922008137578600 Frigidaire Cover15137031800 Frigidaire Cushion165304508449 Frigidaire Washer Dryer Air Duct17134792900 Frigidaire Protector18131168200 Frigidaire Dryer Screw20137565300 Frigidaire Seal21WCI 13762310023134786110 Frigidaire Moisture Sensor25WCI 13491210027RWCI 13469041027B134690203 Frigidaire Base27LWCI 13469031028LWCI 13702990028WCI 13756030028RWCI 13706680029131205100 Frigidaire Screw30WCI 13762320033SAFETY THERMSTAT34131243700 Frigidaire Screw35WCI 134959000405304523155 Frigidaire Washer Kit40A134716700 Frigidaire Washer41134716800 Frigidaire Nut42137556623 Frigidaire Bulkhead44216396900 Frigidaire Dryer Adjustable Leveling Foot Leg