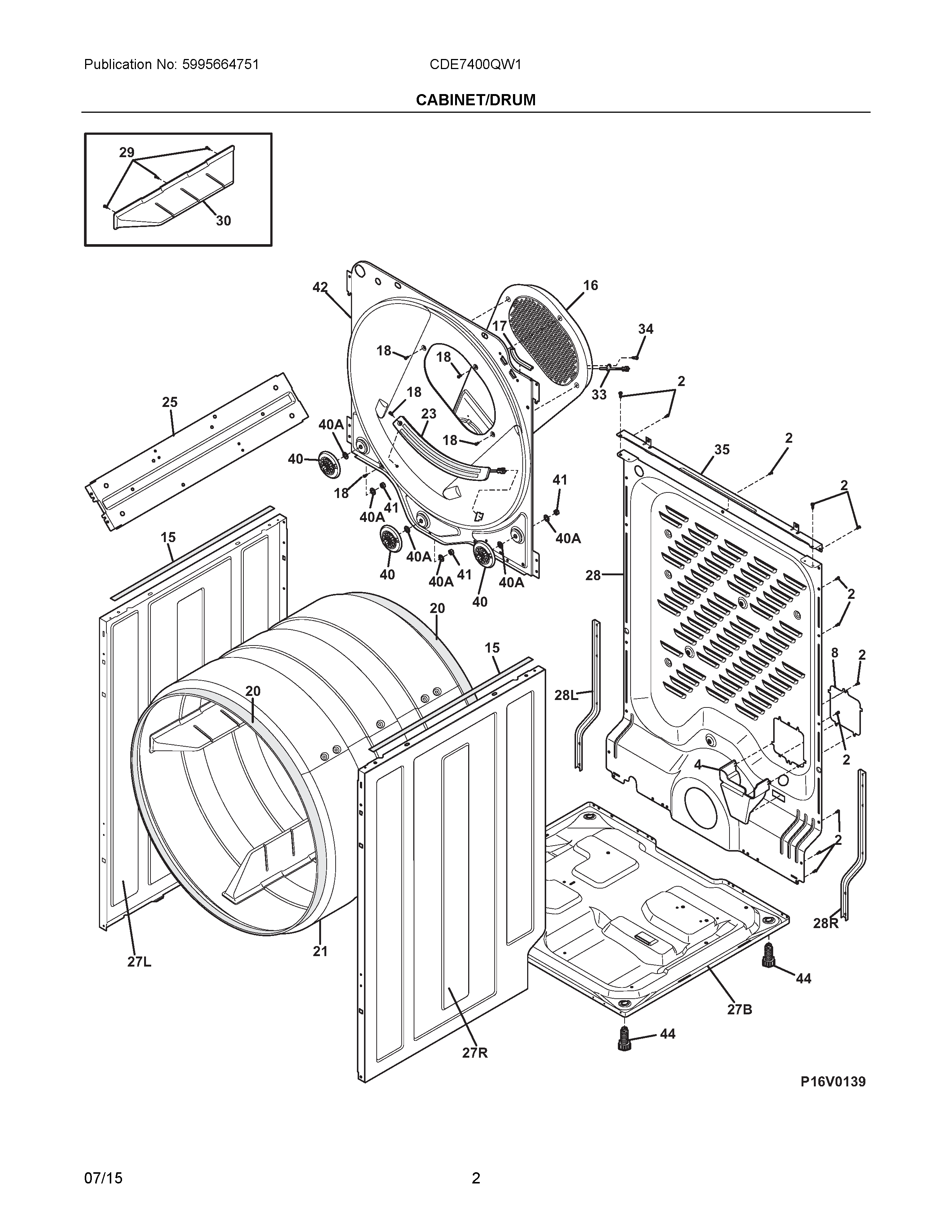
CDE7400QW1 02 – CABINET/DRUMadmin2025-04-26T08:46:33+00:00CDE7400QW1 02 – CABINET/DRUM ProductsPositionProductNIA5308027429 Frigidaire Dryer High Temperature AdhesiveNIWCI 137360810NIA134716200 Frigidaire RetainerNIAWCI 5304501435NIWCI 137240400NI131202300 Frigidaire ScrewNI134154100 Frigidaire Screw 10-32 x 0.375 Co4WCI 1347922008137578600 Frigidaire Cover15137031800 Frigidaire Cushion165304508449 Frigidaire Washer Dryer Air Duct17134792900 Frigidaire Protector18131168200 Frigidaire Dryer Screw205304499489 Frigidaire Washer Felt Seal21WCI 13762310023134786110 Frigidaire Moisture Sensor25WCI 13491210027RWCI 13469041027LWCI 13469031027B134690203 Frigidaire Base28RWCI 13706680028WCI 13756030028LWCI 13702990029131205100 Frigidaire Screw30WCI 13762320033137515200 Frigidaire Limiter34131243700 Frigidaire Screw35WCI 134959000405304523155 Frigidaire Washer Kit40A134716700 Frigidaire Washer41134716800 Frigidaire Nut42137556623 Frigidaire Bulkhead44216396900 Frigidaire Dryer Adjustable Leveling Foot Leg