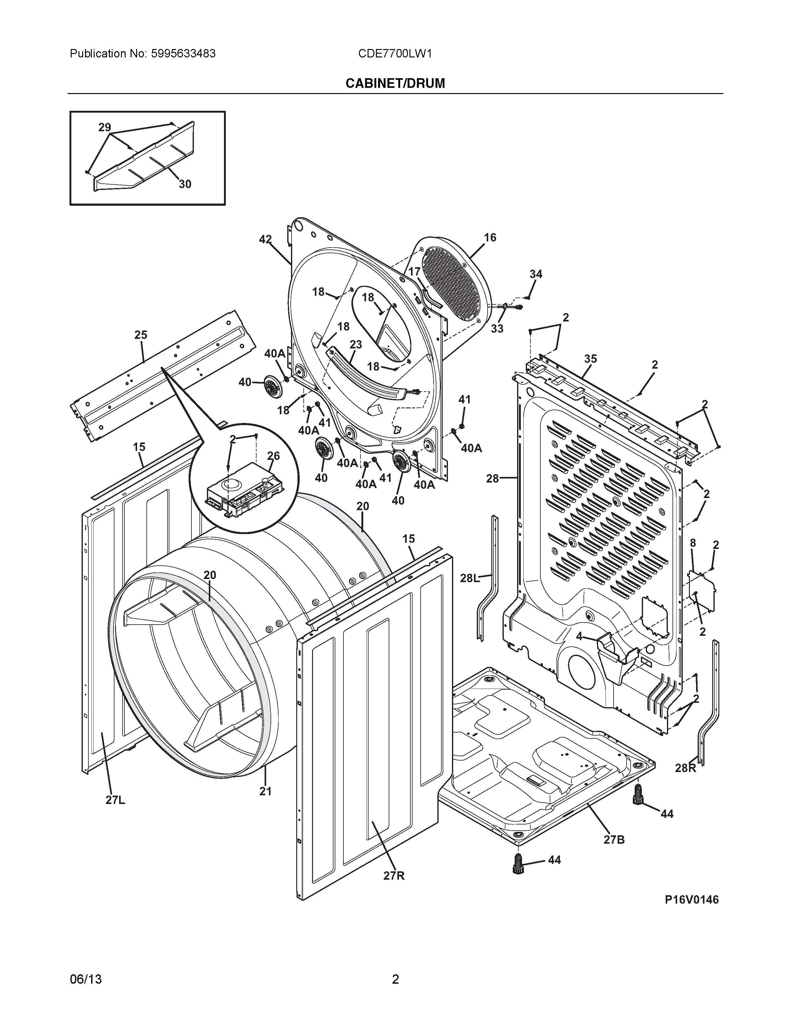
CDE7700LW1 02 – CABINET/DRUMadmin2025-04-26T08:46:52+00:00CDE7700LW1 02 – CABINET/DRUM ProductsPositionProductNIA134930800 Frigidaire HarnessNIA5308027429 Frigidaire Dryer High Temperature AdhesiveNIA134716200 Frigidaire RetainerNIWCI 1372404004WCI 1347922008137578600 Frigidaire Cover15137031800 Frigidaire Cushion165304508449 Frigidaire Washer Dryer Air Duct17134792900 Frigidaire Protector18131168200 Frigidaire Dryer Screw20137565300 Frigidaire Seal21WCI 13471191023134786100 Frigidaire Moisture Sensor25WCI 13491210026WCI 13470671026AWCI 13470672027RWCI 13469041027B134690203 Frigidaire Base27LWCI 13469031028LWCI 13702990028WCI 13756030028RWCI 13706680029131205100 Frigidaire Screw30WCI 13757751033SAFETY THERMSTAT34131243700 Frigidaire Screw35WCI 13495900040A134716700 Frigidaire Washer405304523155 Frigidaire Washer Kit41134716800 Frigidaire Nut42WCI 13755662644216396900 Frigidaire Dryer Adjustable Leveling Foot Leg