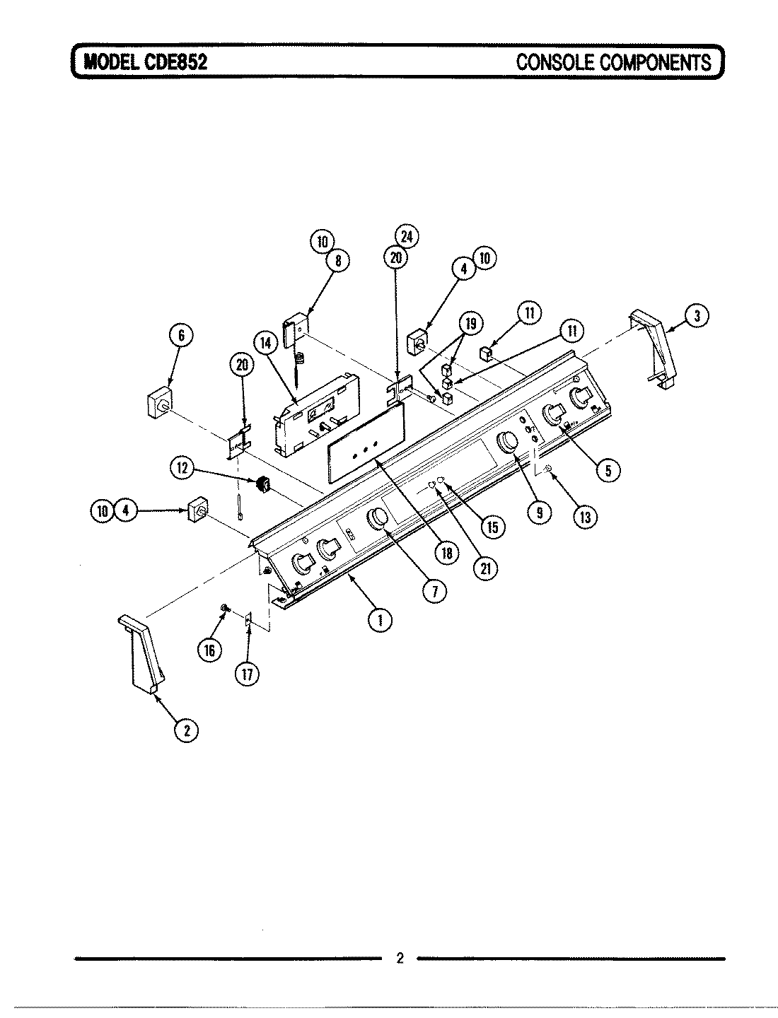
CDE852 06 – CONTROL PANELadmin2025-04-26T11:12:46+00:00CDE852 06 – CONTROL PANEL ProductsPositionProduct1MAY 7051012MAY 7023883MAY Y7023874SWITCH-INF5MAY Y7046136MAY Y7036737MAY 7046278MAY Y7036749MAY 70388610MAY Y70486311MAY Y70261412MAY Y70431113MAY 70312614MAY Y0410013314MAY Y70370815MAY Y70391016MAY Y70297617MAY 70261618MAY 70460819MAY Y70422220MAY 70366721MAY 70352321MAY 70371621MAY Y70423921MAY 70374921MAY 70375221MAY 70424321MAY 70424421MAY 705103