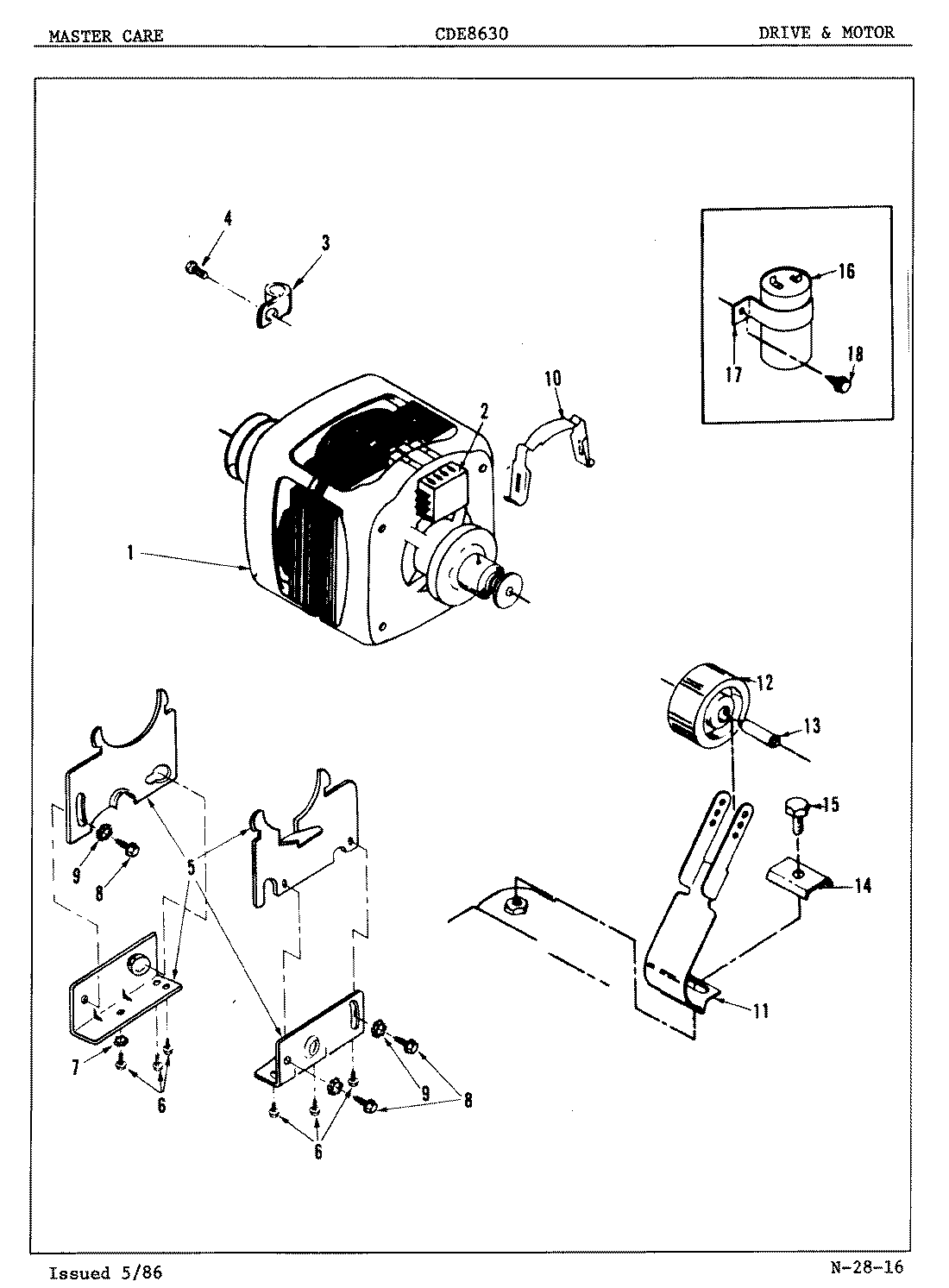
CDE8630H 02 – DRIVE & MOTORadmin2025-04-26T11:13:08+00:00CDE8630H 02 – DRIVE & MOTOR ProductsPositionProduct1MAY 63-66622MAY 63-42103MAY 25-72654MAY 25-71115MAY 63-28326MAY 25-77857MAY 25-70718MAY 25-76819MAY 25-341510MAY 63-561111MAY 63-305312MAY 63-575313MAY 63-305414MAY 63-381915NOT REQUIRED PART OR SEE NOTE FUSE (NOT REQUIRED)16MAY 63-319917MAY 63-320418MAY 25-2134