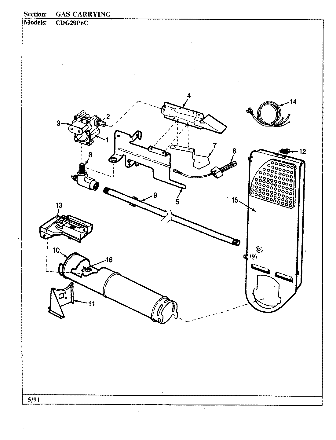
CDG20P6WC 04 – GAS CARRYINGadmin2025-04-26T11:14:56+00:00CDG20P6WC 04 – GAS CARRYING ProductsPositionProduct1MAY 53-01942MAY 63-35703MAY 63-66153MAY 63-66144MAY 63-66825MAY 53-01406WP31001556 Whirlpool Igniter7MAY 53-06867MAY 25-30347MAY 25-77448MAY 53-01019MAY 53-017310MAY 53-188411WP90767 Whirlpool Screw11MAY 25-774111MAY 53-013912MAY 25-016812MAY 53-014313MAY 25-213413WP338906 Whirlpool Dryer Gas Sensor14MAY 63-625915MAY 53-016916WP53-1096 Whirlpool Thermostat16MAY 25-303216WP63-6766 Whirlpool LP Conversion Kit16LA-1053 Whirlpool Dryer Thermal Fuse