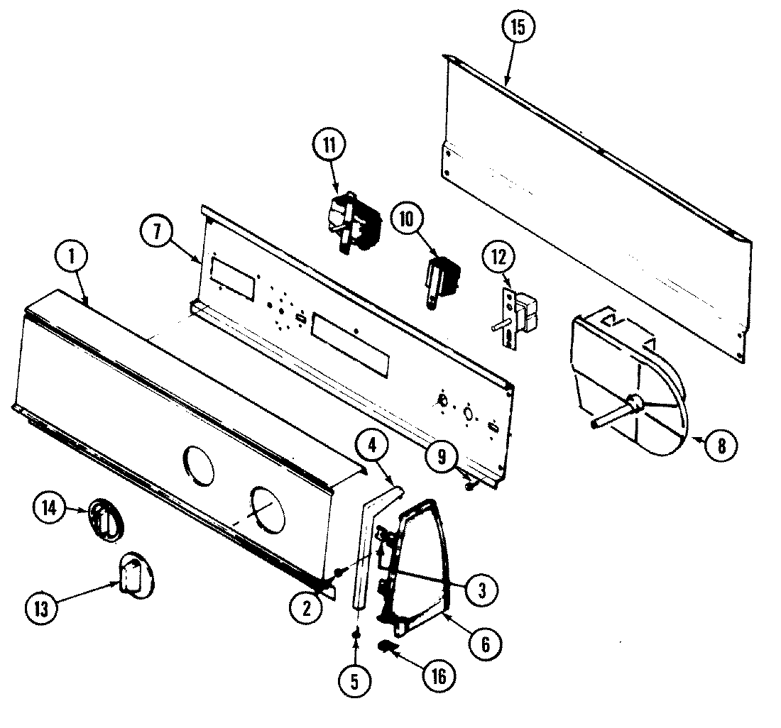
CDG20P8D 01 – CONTROL PANEL (CDG20P8D)