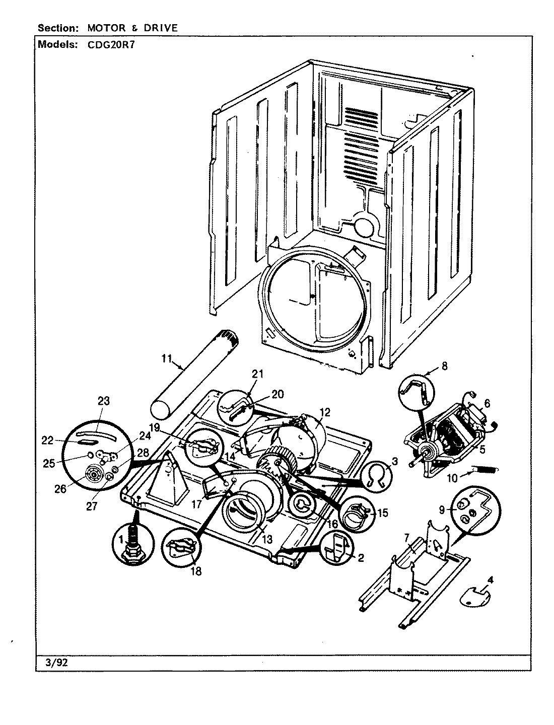
CDG20R7W 05 – MOTOR & DRIVEadmin2025-04-26T09:23:09+00:00CDG20R7W 05 – MOTOR & DRIVE ProductsPositionProduct1W11117769 Whirlpool Refrigerator Leveler2WP53-0120 Whirlpool Clip3MAY 25-70274MAY 25-77414MAY 53-01535MAY 53-10415MAY 53-22756MAY 53-06937MAY 53-08527MAY 53-19327MAY 25-78118MAY 25-76748WP660658 Whirlpool Clamp9MAY 53-16509MAY 25-78159MAY 25-79579MAY 53-16289WP53-2287 Whirlpool Idler Assembly1031001465 Whirlpool Idler Spring10MAY 53-164811MAY 53-013412MAY 53-180112MAY 53-07741312001324 Whirlpool Collector Duct14MAY 53-010615MAY 25-782316MAY 25-785517MAY 53-193417MAY 25-780717MAY 53-102317MAY 53-102618WP53-1107 Whirlpool Thermostat19MAY 25-213420MAY 53-018221MAY 53-018323MAY LA-100823NOT REQUIRED PART OR SEE NOTE FUSE (NOT REQUIRED)24MAY 53-019825MAY 25-781326MAY 53-064227WP25-7854 Whirlpool Clip28MAY 25-7814