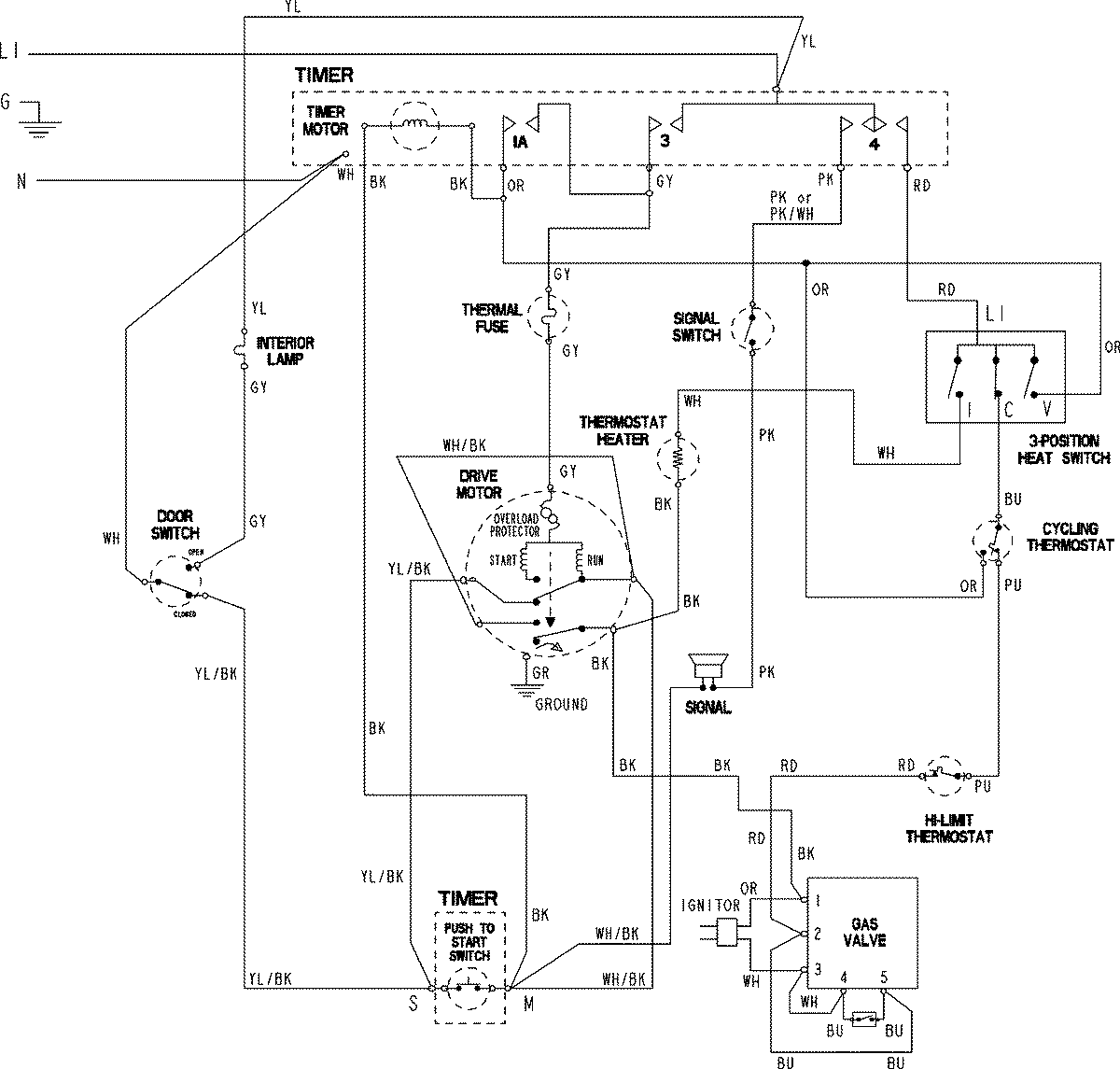
CDG6505W 06 – WIRING INFORMATIONadmin2025-04-26T09:25:08+00:00CDG6505W 06 – WIRING INFORMATION ProductsPositionProductNIMAY 15003795