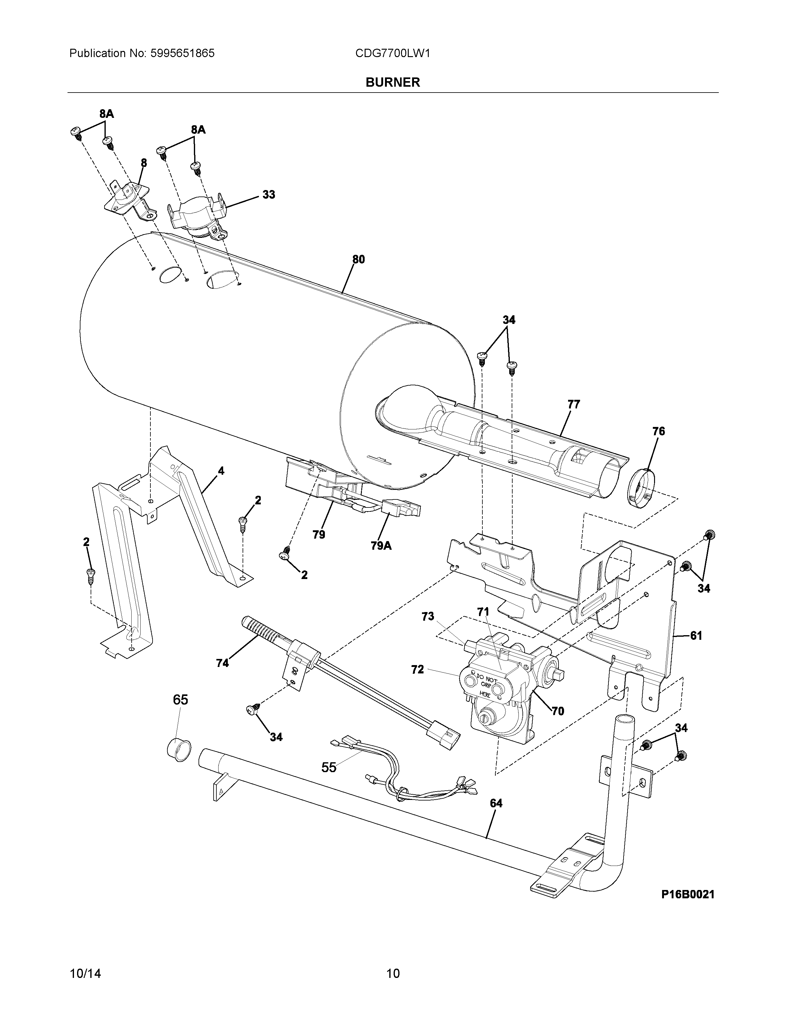
CDG7700LW1 06 – BURNER