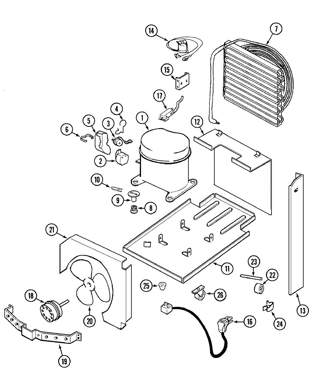
CDH25K 02 – SYSTEM & CHASSISadmin2025-04-26T09:24:45+00:00CDH25K 02 – SYSTEM & CHASSIS ProductsPositionProductNIMAY 16002080NIMAY Y060103291MAY RA10062MAY 63293-43MAY 63294-144MAY 63295-15MAY 63296-26MAY 63297-17MAY 18578-18MAY 242-49MAY 52656-210MAY 52778-211MAY 18126-312MAY 18350-213MAY 18351-213MAY 18352-214MAY 18543-215MAY 18154-216MAY 18161-416MAY 18360-517MAY 18470-217MAY 6500105718MAY 18186-1318MAY 430016-119MAY 0302003019MAY 18131-120MAY 18391-121MAY 18542-222MAY 18148-123MAY 18356-124MAY 18361-125MAY 18150-125MAY 03020077