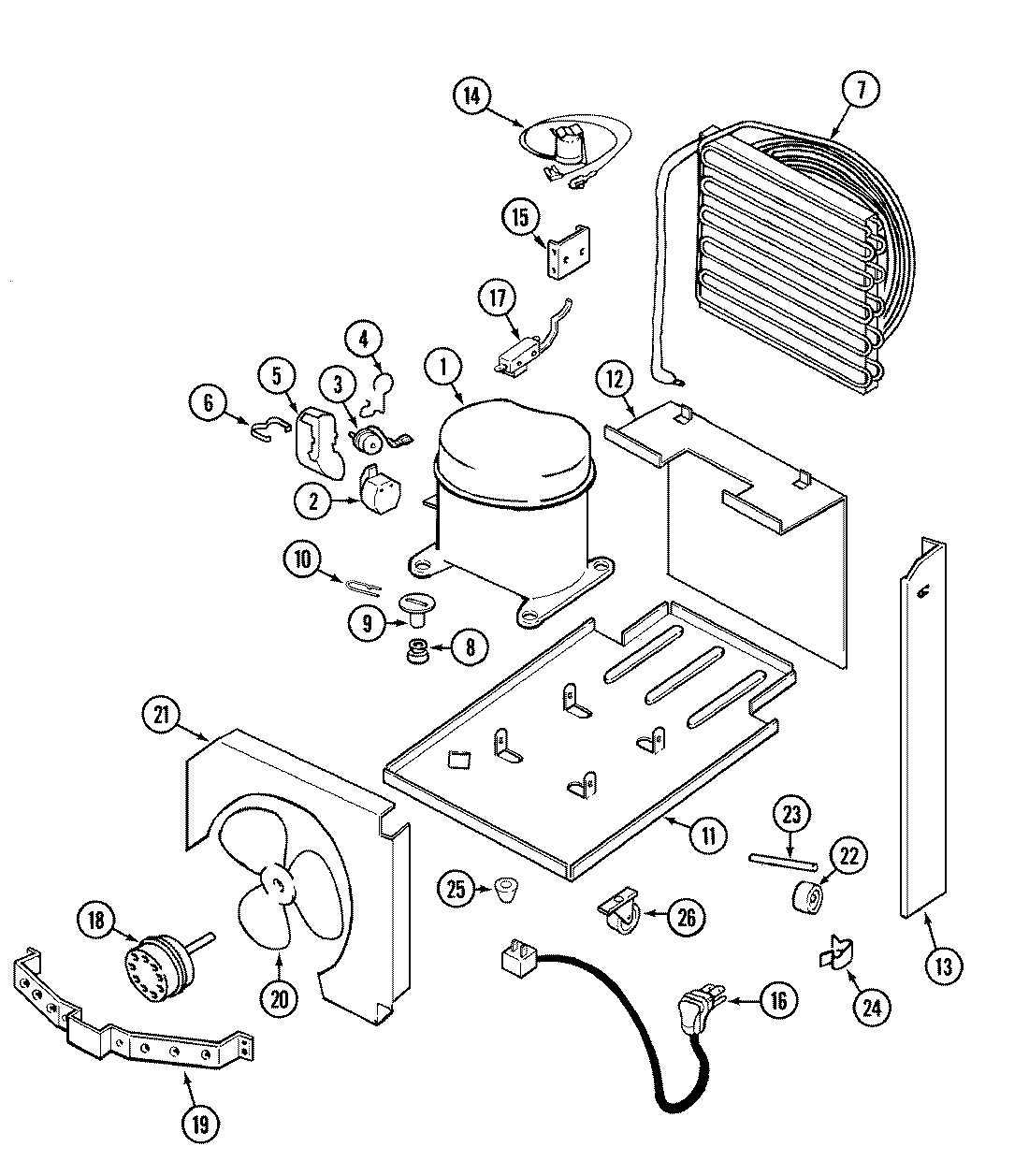
CDH40L 02 – SYSTEM & CHASSISadmin2025-04-26T09:23:57+00:00CDH40L 02 – SYSTEM & CHASSIS ProductsPositionProductNIMAY Y060103291MAY RA95136-12MAY Y011200323MAY Y011800224MAY Y031100765MAY Y023000666MAY Y031100777MAY 18469-27MAY 18423-48MAY 242-49MAY 52656-210MAY 52778-211MAY 0204010812MAY 18350-213MAY 18351-213MAY 18352-214MAY 18543-215MAY 0302007715MAY 18154-216MAY 0401025716MAY 0108005916MAY 0317000617MAY 18470-217MAY 6500105718MAY 6500103818MAY Y0111004219MAY 0302003019MAY 0203017420MAY Y0111004121MAY 18542-223MAY 18356-124MAY 18361-125MAY 18150-125MAY Y0302009426MAY 18147-1