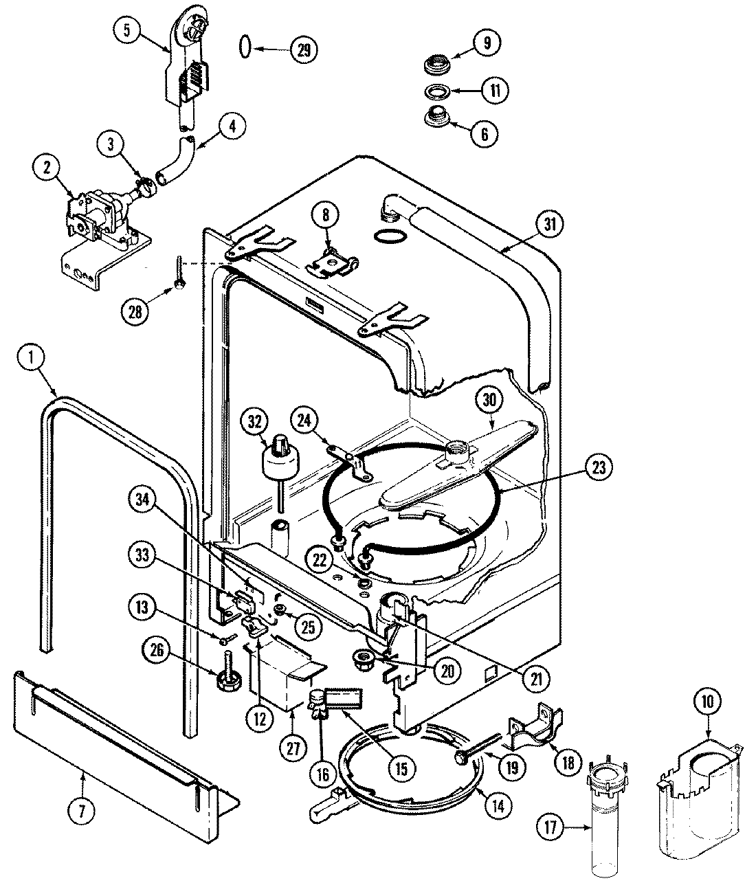
CDU2J 06 – TUB