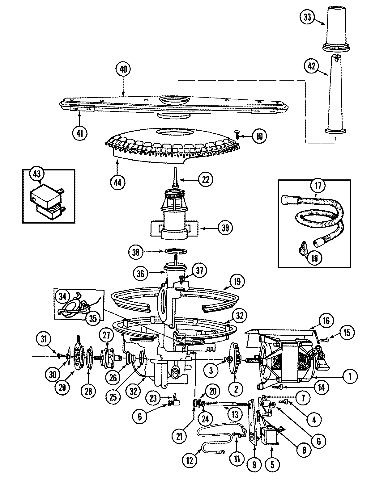
CDU400B 03 – PUMP & MOTOR