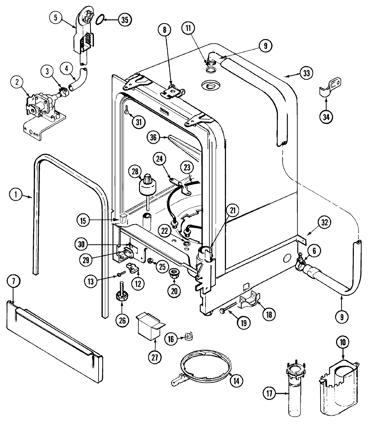
CDU510B 06 – TUB