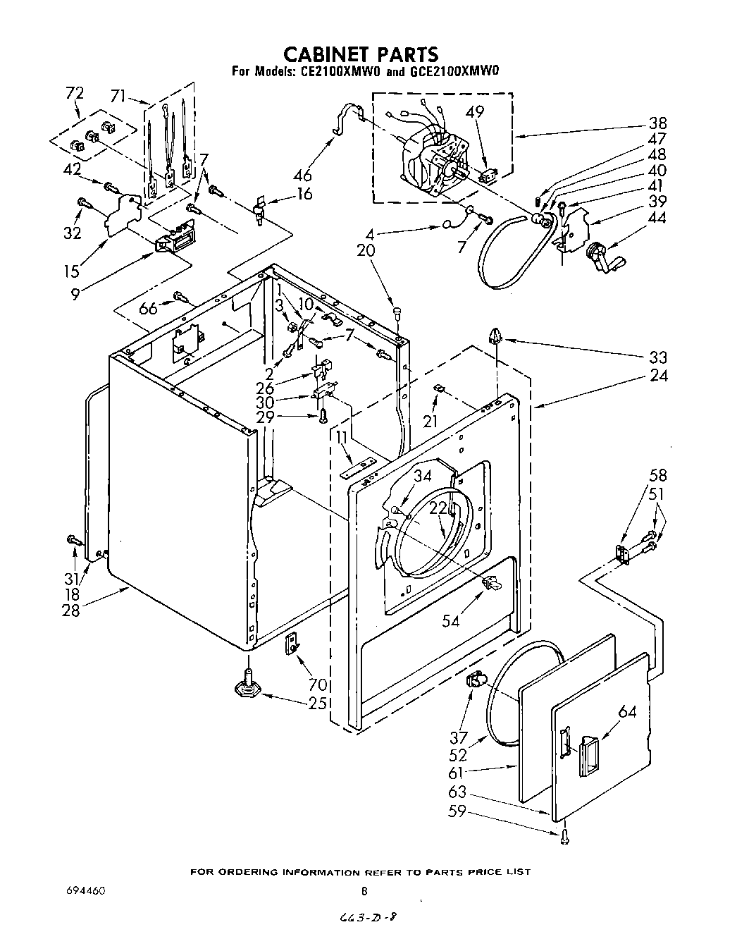
| 1 | Bracket, Top Lock |
| 2 | BOLT, 5/16-18 X 2 3/4 |
| 3 | 90984 Whirlpool Nut |
| 4 | Wire, Ground (Motor) |
| 7 | SCREW |
| 9 | 279320 Whirlpool Dryer Rear Terminal Block Kit |
| 10 | 8528351 Whirlpool Clip |
| 11 | Bracket |
| 15 | W11736322 Whirlpool Cover Assembly |
| 16 | WP8066217 Whirlpool Hinge |
| 18 | Panel, Rear |
| 20 | Locator, Top |
| 21 | WP98234 Whirlpool Nut |
| 22 | 279264 Whirlpool Bearing and Seal Kit |
| 24 | Front Panel Assembly (White) |
| 25 | 49621 Whirlpool Leveling Feet |
| 26 | WP691581 Whirlpool Actuator |
| 28 | Cabinet (White) |
| 29 | WP98129 Whirlpool Screw |
| 30 | W10820036 Whirlpool Door Switch Kit |
| 31 | WP489069 Whirlpool Compactor Screw |
| 32 | WP308685 Whirlpool Microwave Screw |
| 33 | WP18776 Whirlpool Lock |
| 34 | 279220 Whirlpool Clip |
| 37 | 279570 Whirlpool Dryer Door Latch Kit |
| 39 | WP348780 Whirlpool Base |
| 40 | 341241 Whirlpool Dryer Drum Belt |
| 41 | 3400500 Whirlpool Screw |
| 44 | WP691366 Whirlpool Dryer Idler Pulley Assembly |
| 46 | WP660658 Whirlpool Clamp |
| 47 | SCREW, SET |
| 48 | W11233559 Whirlpool Motor Pulley |
| 49 | 279827 Whirlpool Dryer Drive Motor |
| 51 | Screw |
| 52 | W11613302 Whirlpool Door Seal |
| 58 | WP348023 Whirlpool Hinge |
| 59 | WP694091 Whirlpool Screw |
| 61 | 280077 Whirlpool Door |
| 63 | WP348205 Whirlpool Door |
| 64 | WP686711 Whirlpool Door Handle |
| 70 | W10854425 Whirlpool Dryer Front Panel Bottom Mounting Clip |
| 71 | 279318 Whirlpool Terminal |
| 72 | 279393 Whirlpool Terminal Block Screw and Nut Kit |